Skip navigation

Cyberspit Amicale Spitfire
Bienvenue sur Cyberspit !

  Ce forum est réservé aux discussions autour des Triumphs.
Lisez-moi
Recherche :


Uniquement dans ce fil

Retour à la liste des messages | Dernier message
Shodan47700 *

02/01/2024
10:38
Faisceau electrique

Bonjour a tous

Le remontage de ma MK3 avance bien
Je dois remonter les faisceaux électriques

Ils ont été plus ou moins repéré par l'ancien propriétaire lors du démontage (j'ai acheté la voiture en pièce entièrement démontée) mais quand je dis plus ou moins c'est plutôt moins que plus.

Existe t il un plan avec la couleur des fils?

Merci de votre aide

Jean



Nedochatre *

02/01/2024
11:11
re : Faisceau electrique
Message supprimé
Nedochatre *

02/01/2024
11:16
re : Faisceau electrique

Bonjour,
Une "fois compressé.
Amicalement
Jean luc 83430

02/01/2024
11:24
re : Faisceau electrique
Bonjour,
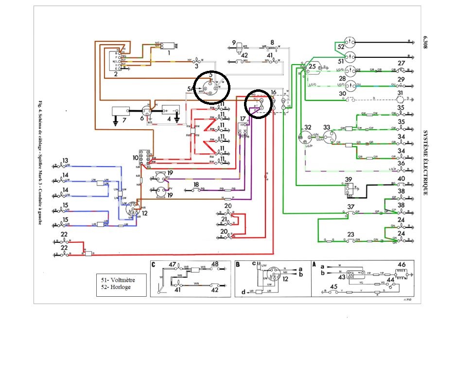
Etant membre tu as accès au manuel de réparation et dans le groupe 6 section 3 tu trouveras le shéma ci dessus et la légende.
Tous mes voeux
Jean Luc
Shodan47700 *

02/01/2024
11:33
re : Faisceau electrique
Merci Jean Luc
Je vais fouiner , autant la carrosserie et la mécanique ca me pose pas de problème, mais l'électricité un peu. Enfin le répérage
Shodan47700 *

07/01/2024
20:52
re : Faisceau electrique

J'ai remonté les faisceaux moteur, et arrière
il me reste quelques fils orphelins

quelques fils au niveau du tableau de bord:

5 blanc un rouge blanc et un marron



Shodan47700 *

07/01/2024
20:54
re : Faisceau electrique

les fils du neiman que je ne sais ou brancher
certainement un blanc rouge et un blanc avec ceux du tableau de bord, le marron bleu je sais pas ou


Shodan47700 *

07/01/2024
20:56
re : Faisceau electrique

et un violet et un marron blanc sous le tableau de bord
Shodan47700 *

07/01/2024
21:13
re : Faisceau electrique
@jean luc 83430

groupe 6 section 3 ... merci pour l'indication mais ca se trouve ou :) ?

(désolé je patine toujours pour trouver des docs sur le site)

Merci

Jean
Jeanluc83430

08/01/2024
09:57
re : Faisceau electrique
Bonjour,
Pas évident à trouver, il faut "fouiner"
Aller dans l'espace réservé aux membres
leur entretien
doc technique
documents (manuels, catalogues)
Manuel d'atelier
Bonne recherche, je pense que devrais pouvoir glaner des renseignements
Jean Luc
Shodan47700 *

08/01/2024
10:58
re : Faisceau electrique

Bonjour Jean Luc
Oui c'est ce que fait, je trouve plus facilement par la recherche google qui renvoie vers les documents du site.
Entre le plan que tu m'as fourni et la description que j'ai trouvé je devrais m'en sortir.

- Je vois que les fils blanc sont des alimentations coupées par le neiman donc elles doivent être regroupées sur le blanc du Neimam

- Le rouge Blanc est celui qui actionne le relai du démarreur

- Le violet et le marron qui sont "orphelins" doivent se rejoindre apparemment, ce que j'ai entouré sur le schéma

Avec ces branchements tout devrait être connecté...

Jpma35 *

08/01/2024
11:49
re : Faisceau electrique
Bonjour,
Sur le schéma, juste au-dessus du repère N°20, le violet qui vient du fusible est relié à un marron avec un connecteur, et va au comodo pour l'appel de phare. En fait le fusible N°1 protège les avertisseurs et l'appel de phare, mais les codes et les phares ne sont pas protégés, les veilleuses le sont : fusible N°2 fil rouge.
Bonne continuation.
Jpma35.
Shodan47700 *

08/01/2024
12:04
re : Faisceau electrique
Bonjour @Jpma35

Merci pour ton intervention.
Oui c'est ce que j'ai vu concernant le violet et le marron qui se connecte ensemble.
Grace au schéma fourni par @Jeanluc83430 j'arrive a recoller l'ensemble des fils et a comprendre lequel fait quoi :)

Faire une voiture de A a Z est la meilleure façon d'apprendre et de comprendre, j'avoue que de remonter l'ensemble des faisceaux me faisait un peu peur, mais ca va, c'est assez intuitif physiquement et ensuite le plan permet de régler les derniers détails

tommybolin

08/01/2024
18:59
re : Faisceau electrique
Bonsoir Jean,
Le fil marron lié avec les fils blancs et le blanc/rouge sur la photo + haut pourrait bien être l'alim principale +direct du contacteur à clé (non présent), donc peut-être à connecter à ton marron bleu du neiman de colonne.
Bon remontage ;)
Shodan47700 *

08/01/2024
22:01
re : Faisceau electrique
bonsoir @tommybolin
effectivement tout est rebranché et fonctionnel.
j’ai testé les fils pour vérifier et le marron bleu est celui qui arrive sur le connecteur B du régulateur comme sur le schéma et donc qui alimente le contacteur a clé.
Le rouge blanc est bien celui du relai de démarreur .
les blancs sont branchés en regroupement sur le blanc du contacteur.
Retour à la liste des messages

* : indique un auteur identifié comme membre de l'Amicale Spitfire


Ajouter un message à cette discussion
Nom email (n'apparaitra jamais sur le site) 177
Sujet

Option : Maxi 10 images uniquement JPEG (300Ko chacune) ou 5 PDF (5Mo chacun)

Attention ! Respectez ces formats et poids, sinon vos fichiers ne seront pas chargés.

Message

Recevoir par mail les réponses
Recopiez ici le numéro là haut à droite (système anti-robot)
Recharger le fil Cliquer une seule fois !

Si vous n'êtes pas adhérent, enregistrer votre pseudo évitera les trolls indésirables !

(c) 2025 Amicale Spitfire