![]() |
Amicale Spitfire Bienvenue sur Cyberspit ! Ce forum est réservé aux discussions autour des Triumphs. Lisez-moi |
|
| Retour à la liste des messages | Dernier message | |
| serrano 21/11/2023 13:05 |
Contacteur tableau de bord |
|---|---|
| (Le fichier "9212F3AF-7828-4BC0-8633-8B53E3BCDF5A.jpeg" est trop volumineux ou le nombre d'élement maximum est dépassé et n'a pas été enregistré) Bonjour, Si quelqu’un peut me donner couleur des fils ou nature du câble électrique pour reconnecter le barillet du tableau. De bord pour une mk3 Merci et bonne journée. Daniel. |
|
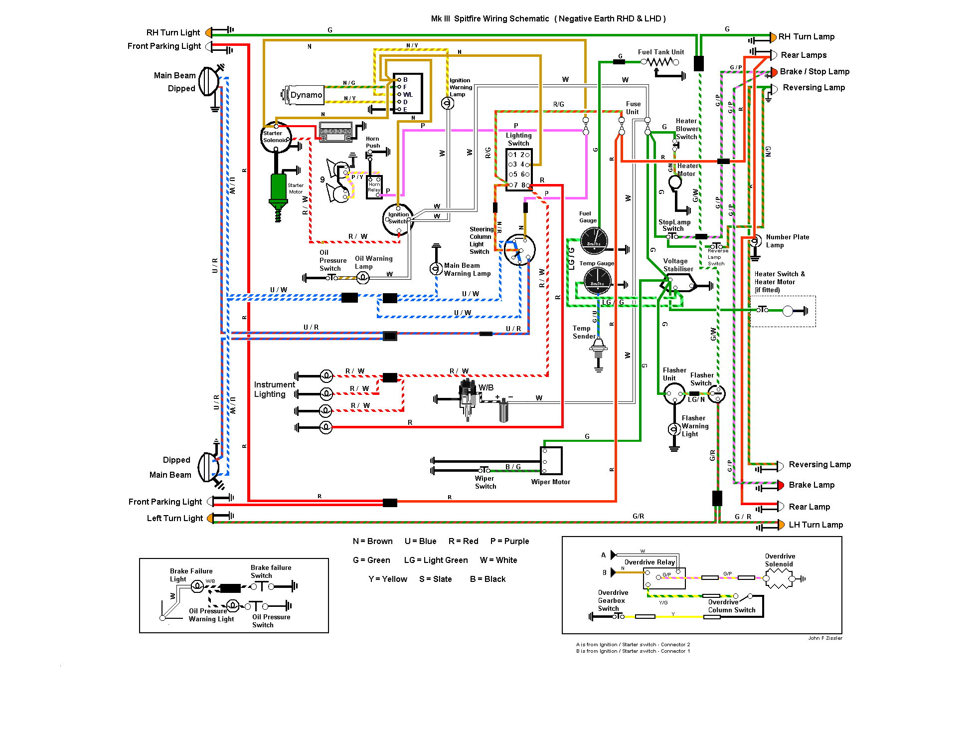
| jpc 84 30 21/11/2023 20:00 |
re : Contacteur tableau de bord |
![]() Ci joint schéma électrique . Le fil marron doit faire 2,5 m/m2 , et les autre environ 1,5 m/m2. cdlt j p c |
|
| Gecko 22/11/2023 08:08 |
re : Contacteur tableau de bord |
| Je profite de cette question mais es ce qu'il existe un document avec les sections des différents conducteurs ? Ou es ce qu'un courageux se serait lancé un jour dans l'aventure ? |
|
| Jean Luc83430 22/11/2023 08:25 |
re : Contacteur tableau de bord |
| Bonjour, Je connais l'un d'entre nous qui a refait entièrement son faisceau, et il a surement les correspondances couleur/sections. Il se reconnaitra. Amicalement Jean Luc |
|
| Gecko 22/11/2023 08:53 |
re : Contacteur tableau de bord |
| Je profite de cette question mais es ce qu'il existe un document avec les sections des différents conducteurs ? Ou es ce qu'un courageux se serait lancé un jour dans l'aventure ? |
|
| Gecko 22/11/2023 08:56 |
re : Contacteur tableau de bord |
| Oupsie, en rechargeant la page, la question a été posée a nouveau. Désolé Merci pour la reponse. J'ai le faisceau du phares a refaire(modifier) Mais je veux repartir du faisceau d'origine pour intégrer les relais. |
|
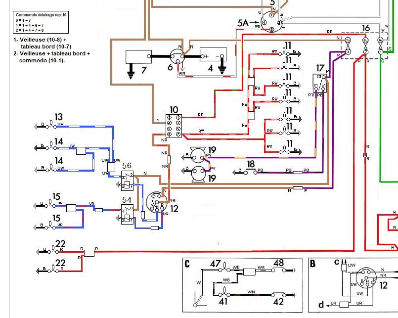
| Nedochatre * 22/11/2023 12:50 |
re : Contacteur tableau de bord |
![]() Pour compléter, ce schéma intègre les relais des phares avant ainsi qu'un nouveau câblage de l'interrupteur permettant d'avoir les branchements affichés dans le cartouche. Amicalement |
|
| serrano 28/11/2023 14:41 |
re : Contacteur tableau de bord |
| Bonjour Merci aux amicalistes et à nedochatre pour les infos sur le contacteur. Je n’ai pas terminé mes devoirs sur la mk3! Bonne journée à tous Daniel mk3 68 |
|
| Retour à la liste des messages | |
* : indique un auteur identifié comme membre de l'Amicale Spitfire
(c) 2025 Amicale Spitfire


