![]() |
Amicale Spitfire Bienvenue sur Cyberspit ! Ce forum est réservé aux discussions autour des Triumphs. Lisez-moi |
|
| Retour à la liste des messages | Dernier message | |
| MM17 * 26/10/2023 14:01 |
plus d'éclairage (Spitfire 1500) |
|---|---|
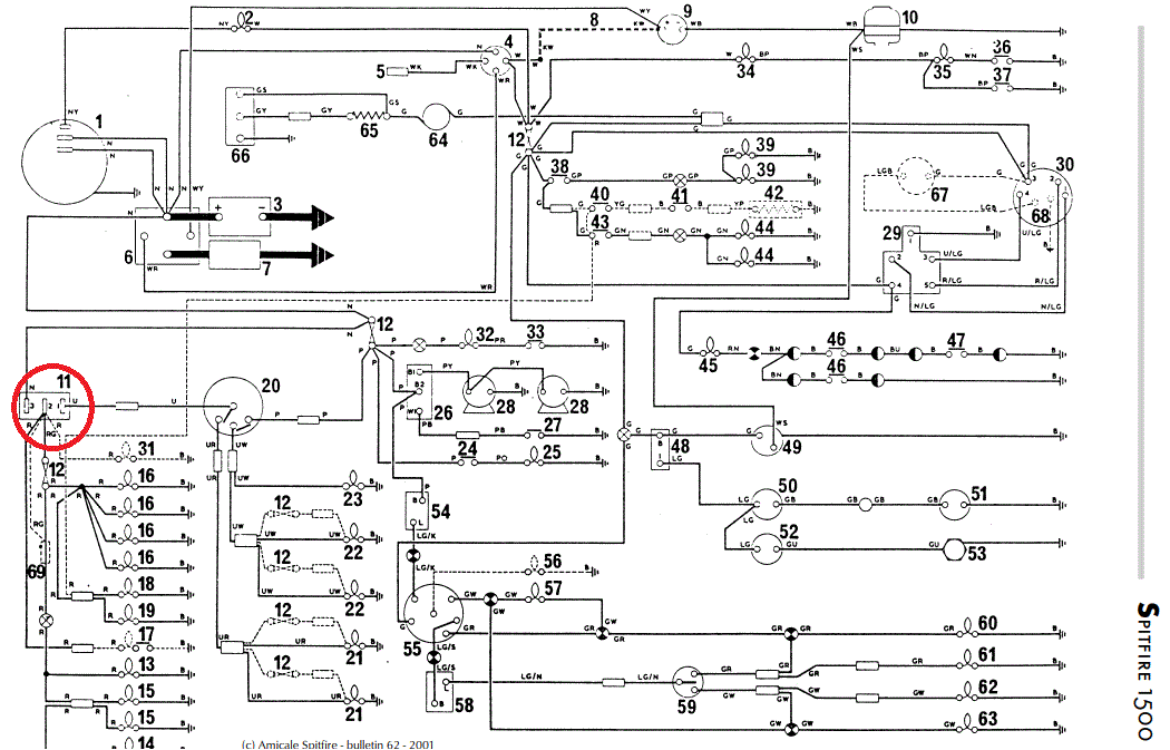
| Bonjour à tous, mes connaissances étant limitées, mais je souhaite essayer ... lors de notre dernière sortie nocturne avec la Spitfire, à un kilomètre de notre domicile (heureusement) tout l'éclairage s'est brutalement coupé, phare, feux arr, tableau de bord ... seuls les clignotants fonctionnent ... avez vous une piste à m'indiquer ? merci d'avance Bonne journée Maxime |
|
| Shodan47700 * 26/10/2023 14:16 |
re : plus d'éclairage (Spitfire 1500) |
| je pense qu'il s'agit d'un problème electrique :) !!! | |
| Gilbert33 26/10/2023 14:39 |
re : plus d'éclairage (Spitfire 1500) |
| Bonjour En premier lieu il faut vérifier les fusibles Voir si il n'y en a pas un de grillé et le remplacer a l'occasion . Penser a l'occasion de nettoyer les lamelles qui supporte le fusible risque d'oxydation , passer un peu de papier de verre et enduire légèrement de graisse Si ça ne marche pas il va falloir voir plus loin |
|
| Shodan47700 * 26/10/2023 14:42 |
re : plus d'éclairage (Spitfire 1500) |
| avant on ouvrait sa boite a fusible et on les vérifier .... Maintenant on demande sur ce forum et on va vérifier ses fusibles Ca prend un jour de plus :)) |
|
| MM17 * 26/10/2023 16:41 |
re : plus d'éclairage (Spitfire 1500) |
| ... un grand merci pour vos réponses j'aurai donc du préciser que les fusibles sont bons, je ne pensais pas que cela serait nécessaire, |
|
| Shodan47700 * 26/10/2023 16:48 |
re : plus d'éclairage (Spitfire 1500) |
| faut bien qu'on taquine @MM17 :) | |
| GTR6-95 26/10/2023 16:49 |
re : plus d'éclairage (Spitfire 1500) |
| Salut, Un grand classique sur les 1500, interrupteur centrale, le rouleau en cuivre qui c'est barré. Il faut sortir l'interrupteur en poussant derrière le tableau, l'ouvrir et remettre ce petit monde en place. Batterie débranchée!!!!!!!!!!!!! |
|
| Shodan47700 * 26/10/2023 16:59 |
re : plus d'éclairage (Spitfire 1500) |
![]() Pour ma culture personnelle @GTR6-95 il se trouve ou ? |
|
| GTR6-95 26/10/2023 17:40 |
re : plus d'éclairage (Spitfire 1500) |
| Consol centrale entre les 2 manos. | |
| MM17 * 26/10/2023 18:26 |
re : plus d'éclairage (Spitfire 1500) |
| Merci, j'ai donc démonté l'interrupteur d'allumage des phares, et un fil était débranché ... merci , je n'aurai pas pensé à sortir, tout simplement, cet interrupteur pour résoudre cette panne |
|
| GTR6-95 27/10/2023 10:37 |
re : plus d'éclairage (Spitfire 1500) |
| @MM17 Chouette j'ai gagné un apéro! | |
| MM17 * 28/10/2023 10:10 |
re : plus d'éclairage (Spitfire 1500) |
| avec plaisir ! | |
| Retour à la liste des messages | |
* : indique un auteur identifié comme membre de l'Amicale Spitfire
(c) 2025 Amicale Spitfire

