![]() |
Amicale Spitfire Bienvenue sur Cyberspit ! Ce forum est réservé aux discussions autour des Triumphs. Lisez-moi |
|
| Retour à la liste des messages | Dernier message | |
| Geo42 15/10/2022 09:58 |
Emplacement pompe à essence électrique GT6 |
|---|---|
![]() Bien sûr il y aura un support à fabriquer. Ainsi je pensais mettre les relais ventilo ,pompe à essence (voir ceux du système d'éclairage) sur une platine dédiée juste devant au pied de la pompe... |
|
| tommybolin 15/10/2022 16:34 |
re : Emplacement pompe à essence électrique GT6 |
| Re! :) Peut-être pas idéal ici.. : trop haute par rapport au niveau de carburant (afin de ne pas la fatiguer à l'aspi) et aussi trop de calories "en aval" du moteur. Perso je la mettrais plutôt vers l'avant, dans le flux d'air canalisé par les protections latérales du moteur tout en la préservant des "intempéries" et à un niveau similaire à celui de l'arrivée du carburant, mais ce n'est que mon avis :) |
|
| Geo42 15/10/2022 17:49 |
re : Emplacement pompe à essence électrique GT6 |
![]() Mais j’ai bien lu les caractéristiques elle peut être installée dans toutes les positions donc je me suis dit que couchée je gagnais quelques centimètres (car j’ai effectivement pensé à tes paramètres)… |
|
| tommybolin 15/10/2022 18:45 |
re : Emplacement pompe à essence électrique GT6 |
| Bah.. pour sûr c'est moins fatigant couché ..et finalement elle n'est pas si haute que ça! (prise 2) :D Tu as peut-être intérêt à la monter sur 2 petits silent-blocs diabolos pour réduire les résonnances dans l'habitacle.. Bah.. si elle reste comme ça en tee-shirt & tongs elle aura pt'èt pas trô chô ;D |
|
| Geo42 15/10/2022 20:04 |
re : Emplacement pompe à essence électrique GT6 |
| :-). :-) Je m‘occupe des diabolos, ça c était prévu ;-) Merci de ton retour Tommy |
|
| Paul 15/10/2022 22:20 |
re : Emplacement pompe à essence électrique GT6 |
| Hello, Perso elle est aussi couchée comme ça sur 2 silentblocs sous son support d'origine. Moi elle est juste à la place de ton mastervac. Attention il faut que les tuyaux passent avec le capot ! :) |
|
| Geo42 15/10/2022 23:03 |
re : Emplacement pompe à essence électrique GT6 |
| Merci Paul | |
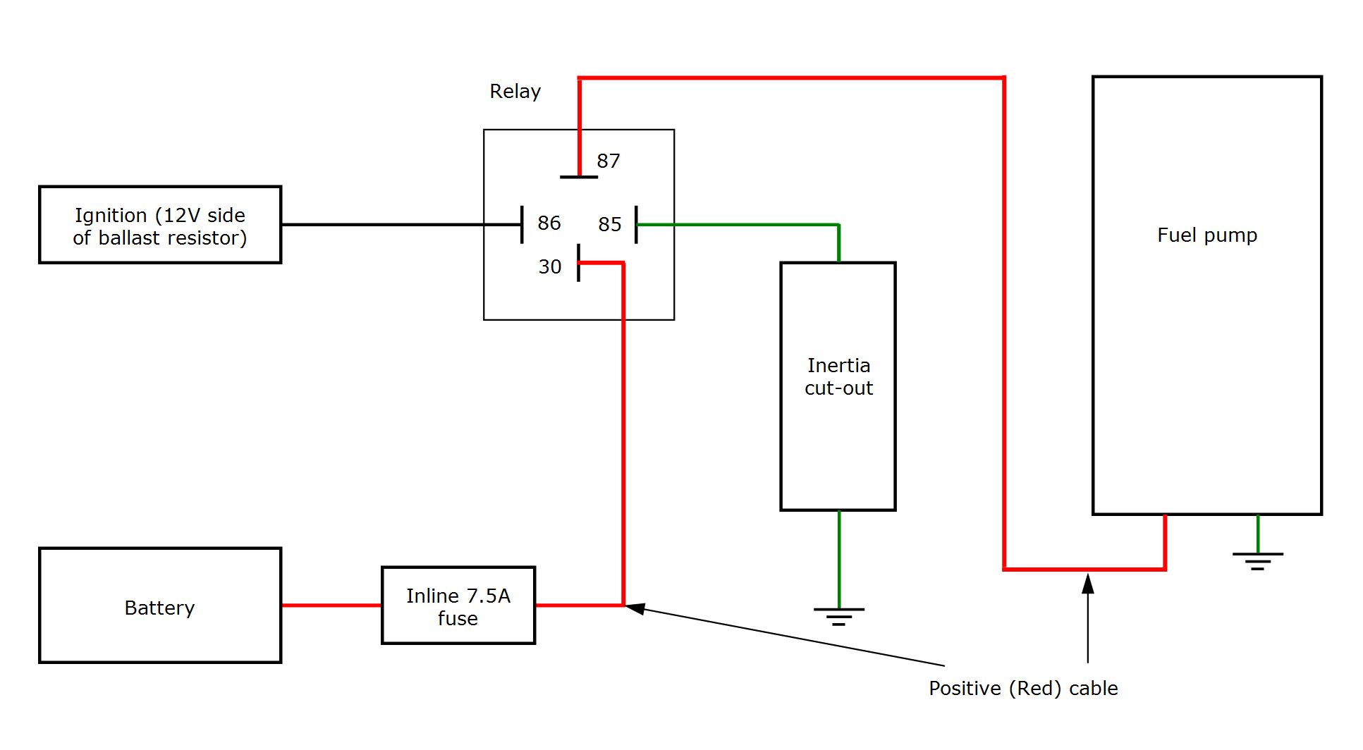
| Geo42 10/11/2022 13:12 |
re : Emplacement pompe à essence électrique GT6 |
Voici le schéma que j'envisageais de mettre en appliction. Seulement le relais HUCO que je me suis procuré à une fiche de plus et je ne sais pas à quoi elle correspond : fiche numéro 1. Une idée ? Concernant le contacteur à inertie ce sera un contacteur simple réf PSA 636654. |
|
| Geo42 10/11/2022 13:19 |
re : Emplacement pompe à essence électrique GT6 |
| J'ai oublié 2 questions : - Je souhaitais positionner l'interrupteur "sur le fil de masse" de la pompe à essence, qu'en dites vous ? - Quelle intensité pour le fusible ? ( P=U.I ), U 12-14volts mais je n'ai pas la puissance de la pompe pour déterminer I ... Je voyais 5A / 7A maxi ? |
|
| tommybolin 10/11/2022 17:36 |
re : Emplacement pompe à essence électrique GT6 |
| Bonsoir Geo, ça cable grave! ;) - La pompe "pompe" environ 5A max donc 7,5 ok -Ton relais 132020 n'est pas un relais classique c'est un tachymétrique (les bornes ne correspondent pas à ton schéma ci-dessus) La borne 1 se connecte au moins bobine pour mettre en action la fonction tachymétrique. La borne 86=15 sur ton relais (85=31=mise à la masse) ;) |
|
| Geo42 10/11/2022 23:08 |
re : Emplacement pompe à essence électrique GT6 |
![]() C est noté je m occupe de ce câblage samedi. En attendant voici le montage de la plaque support relais :-) |
|
| Geo42 10/11/2022 23:09 |
re : Emplacement pompe à essence électrique GT6 |
![]() |
|
| Geo42 12/11/2022 09:58 |
re : Emplacement pompe à essence électrique GT6 |
| Je vous fais part de mes recherches / branchements : http://www.flat4ever.com/forums/topic/58670-pompe-%C3%A9lectrique-le-relais-tachym%C3%A9trique/ |
|
| Geo42 12/11/2022 10:11 |
re : Emplacement pompe à essence électrique GT6 |
![]() http://www.betaboyz.myzen.co.uk/forum/index.php?topic=4462.0 J'opte pour le contacteur à inertie à la masse (85/31). Je vous fais une photo quand c'est réalisé :-) ah euh, j'ai quand même une question : Je souhaite quand même mettre mon interrupteur à bascule pour "antivol" et actionner moi même l'alimentation de la pompe à essence. Est il judicieux de le positionner entre la borne 85 et le contacteur à inertie ? voir photo jointe |
|
| JeanLuc83430 12/11/2022 11:46 |
re : Emplacement pompe à essence électrique GT6 |
| Bonjour, Electriquement aucune importance, pourvu que ton inter soit sur le circuit de commande ou il a peu de courant. Amicalement Jean Luc |
|
| Marco0307 12/11/2022 11:57 |
re : Emplacement pompe à essence électrique GT6 |
| @Geo : sympa ce support. Par contre plus place pour poser les outils ;-) Marco |
|
| Geo42 12/11/2022 12:21 |
re : Emplacement pompe à essence électrique GT6 |
| Bonjour Jean Luc, D accord merci. @Marco: Un jour …j ai entendu: « l’outil attire la panne! »…donc …pas d outils embarqués lol Non sérieusement il y aura toujours le strict minimum :-) Et pour qu elle soit en panne ..il faut qu’elle tourne ???? |
|
| Geo42 12/11/2022 18:25 |
re : Emplacement pompe à essence électrique GT6 |
![]() |
|
| Geo42 12/11/2022 18:26 |
re : Emplacement pompe à essence électrique GT6 |
![]() Pour tout ces fils..ben il y a un autre post :-) |
|
| Geo42 07/01/2023 14:48 |
re : Emplacement pompe à essence électrique GT6 |
![]() Je remonte ce fil car j'ai enfin un peu de temps et surtout reçu le contacteur à inertie. Avant que je ne coupe n'importe quels fils... Un des deux fils du contacteur à inerte va sur la borne 31 (ou85) ( ici fil jaune qui va au moins de la bobine) et l'autre va à la masse, est ce bien cela ? Pouvez vous me confirmer que je peux monter mon interrupteur à bascule selon schéma ci dessus svp ? |
|
| Geo42 11/01/2023 15:58 |
re : Emplacement pompe à essence électrique GT6 |
| Merci Tommy pour ta réponse en Off. As tu réceptionné mon e-mail avec la photo et explications ? |
|
| Geo42 11/01/2023 18:21 |
re : Emplacement pompe à essence électrique GT6 |
| Merci Tommy pour ta réponse en Off. As tu réceptionné mon e-mail avec la photo et explications ? |
|
| tommybolin 11/01/2023 21:07 |
re : Emplacement pompe à essence électrique GT6 |
| Bonsoir Geo, Oui bien reçu! Effectivement les photos montrent un branchement conforme mais c'est ton commentaire attribuant le fil jaune à la fiche 31 qui m'a induit dans le démarreur.. ;)) |
|
| Geo42 * 13/01/2023 08:30 |
re : Emplacement pompe à essence électrique GT6 |
| @tommy ;-) | |
| Retour à la liste des messages | |
* : indique un auteur identifié comme membre de l'Amicale Spitfire
(c) 2025 Amicale Spitfire








