Skip navigation

Cyberspit Amicale Spitfire
Bienvenue sur Cyberspit !

  Ce forum est réservé aux discussions autour des Triumphs.
Lisez-moi
Recherche :


Uniquement dans ce fil

Retour à la liste des messages | Dernier message
jimcarre2001 *

24/11/2024
22:51
Cherche morceau de circuit électrique Spitfire MK3
J'ai passé une annonce sur le site . Mais je n'ai pas eu de réponse . Aussi , je poste sur le forum. Je cherche à rallonger le circuit électrique pour placer une nouvelle boîte à fusibles. Pour pouvoir souder des fils de la même couleur, je cherche un morceau de circuit électrique (l'avant). Si quelqu'un a ça qui traine... Merci.
Qui *

25/11/2024
09:27
re : Cherche morceau de circuit électrique Spitfire MK3
Bonjour,
Est elle vraiment morte ta boîte d origine ? Si c est les pattes en plastique noir qui s écartent, il y a une solution pour corriger assez facile à mettre en œuvre.
Jpma35 *

25/11/2024
15:36
re : Cherche morceau de circuit électrique Spitfire MK3
Bonjour Jimcarre2001,
Quelles sont les couleurs que tu cherches et quelles longueurs, il me reste quelques chutes et un ancien faisceau mais de MK2 à voir.
Jpma35.
dyngo

25/11/2024
18:16
re : Cherche morceau de circuit électrique Spitfire MK3
J'ai bc de faisceaux 1500 ou parties de ça qui me semble identique à mk3 (même boite à fusibles).
Mais tous commence avec 15 euro pour le transport ..
jimcarre2001 *

25/11/2024
19:05
re : Cherche morceau de circuit électrique Spitfire MK3
Je cherche la partie du faisceau qui arrive à la boîte à fusibles. Pour l'instant, j'ai mis des petites vis entre les fusibles, pour améliorer les contacts. Mais je serai plus rassuré avec une boîte à fusibles moderne et des fusibles actuels. Et éventuellement des relais pour les phares, tout ça intégré dans le même boîtier. Si je trouve tous les éléments pour faire ça proprement, je me lancerai.
jpc 8430

25/11/2024
19:28
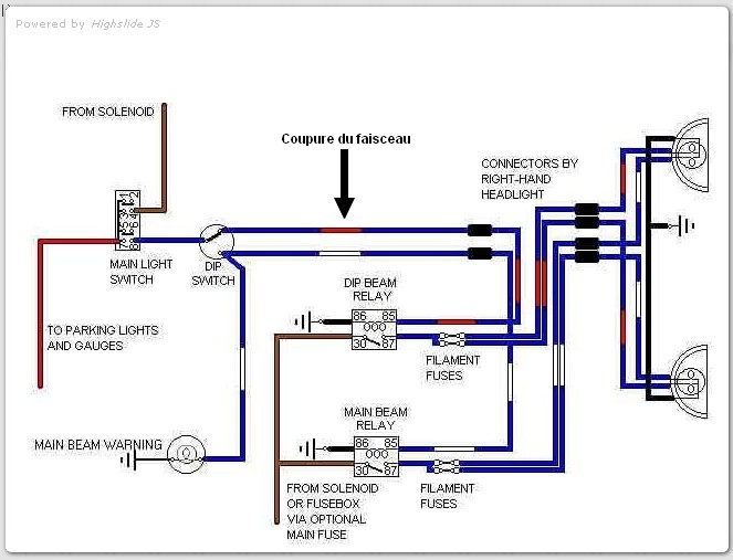
re : Cherche morceau de circuit électrique Spitfire MK3

@ jimcarre2001

Pour les fusibles , voila une " Combine "
Le tout étant d avoir de ma monnaie
;) ;) ;)

Cdlt
j p c
jpc 8430

25/11/2024
19:46
re : Cherche morceau de circuit électrique Spitfire MK3

@ jimecarre2001

Pourquoi vouloir changer une partie du faisceau ???

Il serait AMHA plus facile de ne changer que la boite a fusibles, et peut-être les cosses qui arrive sur cette boite !
Voir les lien ci joint .

Pour les phares , je te joint un schéma de principe , facile a exécuter .

cdlt
j p c


https://www.betaset.fr/fr/faisceau/11470-boitier-porte-fusibles-lucas.html

https://www.angclassiccarparts.co.uk/products/mini-5900/mini-coopercooper-s/electrical/lucas-6fj-fuse-box-lid-austin-morris-mini-cooper-cooper-s


jimcarre2001 *

25/11/2024
22:53
re : Cherche morceau de circuit électrique Spitfire MK3
En fait, j'ai 2 boitiers, 1 avec seulement des fusibles, et l'autre avec fusibles et relais. Mon but est de fiabiliser le circuit. Et j'ai beaucoup de + après contact qui partent de la bobine, je voudrais simplifier tout ça .
jimcarre2001 *

26/12/2024
12:44
re : Cherche morceau de circuit électrique Spitfire MK3



Voilà, j'ai changé ma boîte à fusibles, et j'en ai profité pour mettre des relais sur les codes et les phares (avec fusibles). Un peu plus de sécurité, ça ne fait pas de mal, même si le côté "collection" n'est pas respecté. Sur les photos, il y a l'ancienne boîte, la nouvelle, sans son cache, et la même, mais fermée.
Retour à la liste des messages

* : indique un auteur identifié comme membre de l'Amicale Spitfire


Ajouter un message à cette discussion
Nom email (n'apparaitra jamais sur le site) 101
Sujet

Option : Maxi 10 images uniquement JPEG (300Ko chacune) ou 5 PDF (5Mo chacun)

Attention ! Respectez ces formats et poids, sinon vos fichiers ne seront pas chargés.

Message

Recevoir par mail les réponses
Recopiez ici le numéro là haut à droite (système anti-robot)
Recharger le fil Cliquer une seule fois !

Si vous n'êtes pas adhérent, enregistrer votre pseudo évitera les trolls indésirables !

(c) 2025 Amicale Spitfire