Skip navigation

Cyberspit Amicale Spitfire
Bienvenue sur Cyberspit !

  Ce forum est réservé aux discussions autour des Triumphs.
Lisez-moi
Recherche :


Uniquement dans ce fil

Retour à la liste des messages | Dernier message
Marco0307

30/08/2022
13:32
GT6+ - Ventilateur électrique
Bonjour à tous,

Je mets en place un ventilateur électrique de BX sur la GT6 : j'avais prévu du 2mm² en paroi mince (25A max) pour l'alimenter via un relai (30A max) + fusible de 20A. Je n'ai pas d'info sur le moteur du ventilo du coup je me suis basé sur des ventilos de remplacement donnés pour 90/100 W en puissance nominale. j'avais prévu plus large pour la puissance au démarrage, mais je ne suis pas suffisamment calé en élec. pour savoir si c'est suffisant. Je me demande si un passage sur une section 3mm² + fusible de 30A ne serait pas mieux?

Je suis également preneur de conseils, photos ou schémas pour la reprise de la fixation haute du ventilo.

En vous remerciant par avance,

Marco
christ83 *

30/08/2022
14:02
re : GT6+ - Ventilateur électrique
ça m'intéresse grandement , tu peux mettre des photos du montage ? merci
Marco0307

30/08/2022
14:27
re : GT6+ - Ventilateur électrique




@Christ : pour l'instant plutôt au début. Je me suis fait un support avec les moyens du bord qui vient se reprendre sur des trous du chassis (à l'origine, je voulais me reprendre sous les pattes du radiateur mais je me suis lamentablement planté). il faut que je fasse encore 2 amortisseurs en caoutchouc à mettre sous les pattes du ventilo (ep. 3 ou 5mm).

Il faut également que je vérifie le montage du carter de canalisation d'air : je pense qu'il pourrait toucher la patte de fixation haute.

Cdlt,

Marco
Jeanluc83430 *

30/08/2022
17:44
re : GT6+ - Ventilateur électrique
Bonjour,
@Marco : selon la formule P= U x I, si P= 100Watt U= 12 volt I= 8A.
la longueur du câble entre en compte.
Selon un abaque précis, pour une longueur de câble de 3.5m aller retour, et pour 10Ampères une section de 2.5 et un fusible de10A retardé doivent suffire. Bien entendu il te faudra passer par un relais commandé par ton capteur de T°.
Bon courage
Jean luc
Marco0307

30/08/2022
21:23
re : GT6+ - Ventilateur électrique
@Jeanluc83430 : tout à fait d'accord pour le nominal. Là où je sèche c'est si il faut considérer une puissance supérieure au démarrage à cause du couple plus important à fournir, et si oui, ce qu'il faut prévoir. Peut-on considérer que le temps de démarrage étant très court + fusible retardé sont suffisants?

Ceci étant je connaissais pas les fusibles à action retardée (ou tempo) : après quelques recherches, cela ne semble pas évident à trouver en 12V format standard à lamelles pour auto.

Par ailleurs, j'avais considéré un simple aller pour le câble, considérant une masse sur le chassis.

Merci pour ton retour intéressant!

Marco
JPh *

30/08/2022
22:46
re : GT6+ - Ventilateur électrique
Bonsoir,

Si je puis me permettre une critique, je trouve que ce ventilateur et son habillage cache beaucoup le radiateur, limitant sa capacité à refroidir lorsque le ventilateur est à l'arrêt.

Positionné devant le radiateur, le ventilateur perturbe le flux d'air qu'il va brassé. Derrière le radiateur, il serait plus efficace. Mais peut-être faut-il alors passer sur des ventilateurs plus fins comme ceux-ci par exemple https://www.spalautomotive.it/axial-fans

Dernier point, si tu conserves le ventilateur d'origine, les deux risquent de se perturber et d'avoir une efficacité moindre.
Paul

30/08/2022
23:53
re : GT6+ - Ventilateur électrique
Hello :)

Franchement Marco, le kit Revotec en aspiration à la place de l'hélice d'origine c'est top. Support fourni, etc.

Perso j'ai juste remplacé la sonde ajustable par une sonde de bmw 6 cyl plus rustique :)

Aspiration vraiment plus efficace que soufflant et ça n'empêche pas l'air de circuler "correctement".

Ça ne tourne que si besoin (eco d'énergie...), c'est pensé pour et pas de prise de tête :)

Et si moteur très chaud, ça peut continué à tourner quelques secondes après extinction du moteur :)
Paul

31/08/2022
00:00
re : GT6+ - Ventilateur électrique
Effectivement je confirme qu'il y a un calcule à faire pour définir la section de fil. Il y a des sites pour camping car qui le fond très bien si besoin avec indication de la longeur et de l'amperage.

Un cable indiqué pour 30a max par exemple, ce n'est pas une bonne description de la part des fournisseurs d'un point de vue électrique.

30a OK mais sur combien de mètre??^^

Je ne me souviens plus de la section mais 10a de fusible c'est good pour un revotec. Après pour être serein on peut prendre une section au dessus, on est pas à 200gr de cable non plus.. ^^
Paul

31/08/2022
00:08
re : GT6+ - Ventilateur électrique
Je confirme également qu'il faut un fusible tempo (classique d'aujourd'hui) pour absorber le pic du démarrage :)

Quand je re regarde ta photo je ne mettrais vraiment pas ce ventilateur devant en "soufflant". Et derrière il sera sûrement trop épais.

Faut bien penser que lorsqu'il sera utile, certainement à l'arrêt ou vitesse faible, il ventilo fin type revotec aspirant collé au radiateur sera déjà BEAUCOUP plus efficace que l'hélice d'origine espacé du radiateur. Et hélice qui ne sert pas à grand chose dans un bouchon.. ^^
Jeanluc83430 *

31/08/2022
08:25
re : GT6+ - Ventilateur électrique
Bonjour,
@Marco0307 : effectivement la longueur de câble à prendre en compte est celle qui part du + batterie, au ventilateur via le fusible et le relais et la longueur pour rejoindre la masse la plus proche.
Les fusibles ont souvent une référence TD pour temporized,
Jean Luc
tommybolin

31/08/2022
12:08
re : GT6+ - Ventilateur électrique
Bonjour,
@Marco, plusieurs options sont possibles: fixation supérieure via cornières encadrant le faisceau ou via un cerclage entourant la boîte à eau supérieure.
Possible aussi, en prenant qques précautions, d'intégrer de la visserie sur les flancs en tôle du radia.
Pour rassurer : Aucune inquiétude avec ce style de montage devant le radia. :) Perso 80K kms avec le même ventilo à qques détails près sans aucun souci, l'aiguille restant en milieu de cadran en toutes circonstances..
Concernant le fusible, je suis pas électricien mais je pense que le fusible doit être un peu supérieur à ce que le ventilo tire en pic pour pouvoir protéger le circuit, si sa valeur est très supérieure, en cas de pépin c'est le circuit qui grille.
cdlt ;)
dyngo

31/08/2022
15:49
re : GT6+ - Ventilateur électrique

LA solution anglo-américain (photo).
Radiateur vieilli, avec Kenlowe fan monté sur le nid d'abeille.

Personellement je préfaire l'inverse:
Nouveau nid d'abeille maximum capacité et fan d'origine.
Radiateur plus efficient a besoin de moins de ventilateur.
Avantage ventilateur mécanique: il y a toujours ventilation autour moteur, collecteurs et carbu.
Une fuite d'essence sur le collecteur d'échappement n'est pas rare avec les pièces chinoises aujourd'hui ...
Qui *

31/08/2022
16:21
re : GT6+ - Ventilateur électrique
oui, c'est pas rassurant toutes ces amperes dans le fil, dans le relais, dans le support fusible ........et toute cette tole dans le flux ! ! !
Marco0307

31/08/2022
17:07
re : GT6+ - Ventilateur électrique
Bonjour à tous,

Merci pour vos retours !

@jph : pas de problème pour la critique, on est là pour ça. Je m'étais déjà fait mon avis entre Revotec (plus fin) et BX. Certains comme Tommy, mais d'autres aussi, ont validé le système (idem avec des ventilos de Twingo), donc pour l'instant je reste sur mon idée, quitte à revenir sur tout ça si cela ne fonctionne pas.

@paul : si ça ne marche pas promis, je tente un Revotec ;-). Pourrais-tu me donner la réf. de ton thermocontact stp?

@Tommy : OK, merci pour les pistes.

@Dyngo : le nid d'abeille a bien été remplacé par un plus performant. Après quant au choix d'un ventilo électrique ou pas, je crois que cela restera toujours un débat.

@Qui : je crois que tu es plutôt calé en élec. Y-a-t-il un dimensionnement que tu me préconiserais pour le cable, relais et fusible?

Cdlt,

Marco
dyngo

31/08/2022
17:27
re : GT6+ - Ventilateur électrique

Le premier bazar j'ai enlevé de ma 'nouvelle' Range (photo).
Sous le capot des j'avais des relais, des fusibles partout, poubelle.
Tous retour à l'origine avec grand ventilateur / visco (qui va bien sur la Range).
Le grand sur photo vient de 'ford courier', le petit aucun idée.
Gratuit pour les amateurs, dans la poubelle chez moi.
Qui *

31/08/2022
21:50
re : GT6+ - Ventilateur électrique
4 ou 5 carré multibrins, isolant fin, jusqu'au pres des fils du ventilo, cosses jaunes serties avec la bonne pince pro, mettre un nuage de wd40 sur les cosses une fois serties et en place.
Paul

31/08/2022
23:38
re : GT6+ - Ventilateur électrique
(Le fichier "téléchargement (1).jpeg" est trop volumineux ou le nombre d'élement maximum est dépassé et n'a pas été enregistré)

Exemple de section de cable.
Paul

31/08/2022
23:39
re : GT6+ - Ventilateur électrique
(Le fichier "Screenshot_20220831-233520_Chrome.jpg" est trop volumineux ou le nombre d'élement maximum est dépassé et n'a pas été enregistré)

Second essai.
Paul

31/08/2022
23:41
re : GT6+ - Ventilateur électrique

x3^^
Paul

31/08/2022
23:46
re : GT6+ - Ventilateur électrique
Exemple pour ventilo de 10a sur 4 mètres de longueur avec une batterie vide. Plus la tension est basse plus l'amperage augmente donc cable nécessaire plus gros). Idem, plus la longeur est longue plus la section du câble doit être importante :)

La 10v de tension et 4m de longue c'est donc une vision pessimiste ^^ et donc à priori 2mm² c'est good et 2.5mm² c'est large :)

Et souvent ça consomme moins que 10A un ventilo, à vérifier sur ton modèle :)
Paul

31/08/2022
23:49
re : GT6+ - Ventilateur électrique
Et voilà la réf :)

SPA-102030 - Thermocontact Spal 82° - 68° M22x150 pour BMW 6cyl.
Paul

31/08/2022
23:51
re : GT6+ - Ventilateur électrique
Dsl pour les fautes, correction automatique et je ne relis pas assez.. :/
Marco0307

01/09/2022
09:42
re : GT6+ - Ventilateur électrique
Bonjour,
@Qui : OK je te remercie.
@Paul : merci pour les infos. Par précaution, je vais prendre une section plus importante, n'ayant pas d'info sur le modèle de BX que j'ai.

Bonne journée !

Marco
mensacou

01/09/2022
10:24
re : GT6+ - Ventilateur électrique
bonjour, pour ma part il suffit de prendre les dimensions des fils qui sortent du ventilo et de prendre les mémes pour l'alimenter . mais le plus simple est d'avoir un circuit de refroidissement en bon état et de garder le ventilo mécanique, je n'ai aucun probleme de surchauffe sur ma GT6 mème en conduite "sportive" en montagne et en été . cdlt , Mensacou
Marco0307

12/09/2022
12:19
re : GT6+ - Ventilateur électrique


Bonjour,
Finalement, j'ai fait sauter la patte de fixation haute du ventilo et je me suis fait 2 pattes de fixation qui se reprennent sur les côtés.
Le montage à blanc me parait bien.
Quelques silentblocs maison aux points de fixation et un peu de peinture et ce sera OK je pense.

Cdlt,

Marco
tommybolin

17/09/2022
12:56
re : GT6+ - Ventilateur électrique
Bonjour Marco,
À propos de réalisation de qualité.. pas mal non plus ce montage maison bien intégré & astucieux ;)
Marco0307

19/09/2022
09:19
re : GT6+ - Ventilateur électrique





Bonjour,
@Tommy : merci.
Montage que j'espère définitif ce WE. Mise en route du ventilo : pas de bruit parasite.

Bonne journée à tous !

Marco
Paul

25/09/2022
15:01
re : GT6+ - Ventilateur électrique
Magnifique.
Marco0307

09/06/2025
19:50
re : GT6+ - Ventilateur électrique
Hello,

@Tommy : Je remonte ce fil pour avoir ton avis. Comme tu le sais j'ai viré l'hélice d'origine pour passer sur du full électrique avec un ventilateur de bx. J'ai fais mes premiers km aujourd'hui avec la gt6 (environ une grosse vingtaine de kms) en pleine campagne, donc peu d'arrêts. La température ne s'est pas régulée "naturellement". Le ventilo s'est déclenché dès que l'aiguille a sensiblement dépassée la température normale de fonctionnement. l'aguille est bien redescendue. Cependant j'ai l'impression qu'il ne s'est pas (ou peu, difficile à dire avec le bruit ambiant) arrêté après (température pas assez basse?). Toujours est-il que j'ai l'impression qu'il était trop sollicité pour un roulage tout à fait standard.
Avais-tu aussi enlevé le l'hélice sur ton montage ?
Pour aller plus loin dans mes essais je pensais :
1. remonter l'hélice et tester.
2. si non concluant, virer la radiateur de bx.

A moins que le problème ne vienne d'autre part? Le liquide est neuf, le circuit propre, la purge des bulles d'air OK, la pompe suinte un peu par le trou au dessous de l'axe à priori mais rien de vraiment significatif.

Cdlt,

Marco
Marco0307

09/06/2025
20:17
re : GT6+ - Ventilateur électrique
Ouf, je vois qu'il y a pas de fautes ... désolé pour les yeux.
tommybolin

09/06/2025
21:35
re : GT6+ - Ventilateur électrique
Hello Marco!
Alors ça y est, elle roule! ;) quel ressenti après ces premiers Kms?!! (mis à part la régul. ventilo)

Pour te répondre concernant le ventilo, pour ma part franchement ça fonctionnait très bien :
-Calorstat std 82°.
-Thermocontact tarage 82°-68° de 504 monté sur durite inférieure.
-Hélice std non installée.
-L'écope frontale de radiateur n'était pas installée.
Sur route ouverte aucun déclenchement intempestif du ventilo, uniquement lors de ralentissements prononcés (traversée urbaine).
Déclenchement avec aiguille en position env. 1er trait après la verticale.(verticale ou -1trait=position normale dans mon cas).
Pas de fonctionnement persistant sur route, juste à l'arrêt suite à un long parcours (fonction ventilo moteur coupé).

Tu as testé l'ouverture totale du calorstat? est-elle suffisante? (peut dépendre des refab).
Je suppose que le radia est rempli au maxi du possible. Tu as effectué le remplissage vanne de chauffage ouverte?
Voir éventuellement purge durites chauffage.
Tu as utilisé ce tarage 82-68° pour le thermocontact? essayer éventuellement un autre tarage.
Le moteur étant en rodage il est possible qu'il chauffe un peu + que la normale.
Ensuite parmi les facteurs qui peuvent également contribuer: la courbe d'avance et un manque de richesse aux carbus,
Autre possibilité mais moins probable: un désalignement important de la géométrie (parallélisme AV/AR).
Bonne investigation :)
Marco0307

10/06/2025
22:48
re : GT6+ - Ventilateur électrique

(Le fichier "image.png" est trop volumineux ou le nombre d'élement maximum est dépassé et n'a pas été enregistré)

Salut,

Oui ça y est elle roule. J'avais déjà fait quelques tours du pâté de maisons mais impossible d'accélérer.
Je l'ai du coup amené fin d'année dernière pour faire régler les carbus. C'est à ce moment que plusieurs problèmes ont été relevés :
1. Embrayage qui patine > c'est réglé (merci encore). Aujourd'hui le résultat est pour l'instant top : pas de patinage, pédale souple. Très agréable.
2. Jeu aux roulements arrières à revoir > c'est fait.
3. Vibrations anormales au freinage > j'ai changé les disques et c'est OK.
4. Volant qui manque de "souplesse" > j'ai relevé le moyeu en pensant qu'il frottait sur le fourreau, mais non. A l'usage c'est désagréable, il ne revient pas naturellement se centrer. J'ai l'impression que cela se passe dans le fourreau et je pense aux bagues en haut et en bas en poly + peut-être une couche de peinture trop importante. A voir.

Sinon à l'essai de lundi c'est plutôt bien mais pas parfait :
1. la régule de température bof, bof.
2. le ralenti à chaud ne tenait pas (peut-être trop bas). Je l'ai relevé à un peu plus de 900 trs. A valider au prochain essai.
3. du ralenti jusque 2500 trs j'ai l'impression de ne pas pouvoir accélérer franchement sous peine d'étouffer le moteur. C'est à vérifier sur deuxième essai. Par contre après le moteur commence à bien prendre vie et tout semble mieux fonctionner : très certainement lié à la prépa, pour ce côté plus haut régime. Je n'ai pas poussé au delà des 3500 / 3700 trs pour l'instant.
4. le volant.

Pour le point 2 et la première partie du compteur où le moteur semble s'étouffer, il n'y avait pas ça lors de mon essai quand j'ai récupéré la voiture après réglage des carbus. Je dis réglage mais avant, ils ont surtout été obligés de dégripper les billes entourées en rouge et vert sur le schéma. A priori grippées sur la majorité des corps.
Par rapport à la config initiale que tu m'avais suggérée :
Buse 28
Venturi 4,5
Tube d'émulsion F16
Gicleur principal 115
Gicleur air 175
Gicleur ralenti 50F9
Gicleur pompe 35
Gicleur retour de cuve (back bleed) 0

le gicleur de ralenti a été changé pour un 55F9 et le gicleur principal par un 105.
Il y avait également des ratés à l'allumage, les bougies BPR7ES (résistives car c'est ce que préco le fournisseur de la Black Box) ont été remplacées par la ref d'origine (je crois) BP6ES.

Bref, à voir peut-être s'il n'y aurait pas encore une bille de grippée, mais avant je vais refaire un essai.

Sinon pour te répondre :
1. Je suis bien sur un calorstat 82° . Un motorad high flow 2000180. Après je ne sais pas comment vérifier son ouverture suffisante. J'imagine que le mettre dans de l'eau et chauffer me permettra de voir si cela fonctionne, maintenant comment savoir s'il s'ouvre suffisamment?
2.Radiateur bien rempli. Maintenant j'imagine que j'avais fait le plein avec la vanne ouverte ... mais pas sûr, ça date maintenant. Ceci étant mon circuit est spécifique puisque je vais du corps de pompe à la vanne puis vers la boite du chauffage puis retour au corps. Donc vanne fermée, je n'ai pas de circulation dans toute cette partie contrairement au principe d'origine qui refroidit, de mémoire, les pipes, même vanne fermée. Est-ce que cela peut perturber le flux dans le corps ?
3. Le thermocontact est un 81°C - 71 °C. Tu me conseillerais une plage plus haute ?
4. Pour le déclenchement, il faudra que je checke plus précisément la position de l'aguille lors du prochain essai. De mémoire, c'était au dessus après les "2 points".
5. Pour la richesse, je vérifierai la couleur des bougies au prochain test. Après je n'ai pour l'instant pas trop de moyen de changer la config (connaissance et pièces de rechange). Le réglage a été fait avec une sonde lambda via une douille que j'avais faite installer sur la sortie du collecteur, donc j'espère que c'est plutôt bon.
6. Courbe : je récupère ma lampe strobo et je mesure ça. Je vous tiens au courant (bon après il y a les 24H cette semaine donc je ne vais pas trop bosser ;-) )

@+ et merci pour toutes ces infos.

Marco
Marco0307

10/06/2025
22:49
re : GT6+ - Ventilateur électrique

Le carbu.
Gilles 35 *

11/06/2025
13:41
re : GT6+ - Ventilateur électrique
Bonjour
Sur le plan régulation, un calorstat qui ouvre à 82° et un ventilateur qui démarre à 81°, ça pose problème.
Démarre le ventilateur au dessus de 82°, ce sera beaucoup mieux.
Si tu peux, mesure la température réelle d'ouverture du calorstat et celle du déclenchement du ventilateur. Les valeurs annoncées ne sont pas forcément les réelles.
tommybolin

11/06/2025
22:16
re : GT6+ - Ventilateur électrique
Hello Marco!,
D'accord avec Gilles sur l'utilité de contrôler les différentes températures de déclenchement avec un thermomètre laser ou
digital.
Tes indications concernant la position inhabituelle de l'aiguille au point de déclenchement du ventilo posent aussi question au sujet de la justesse de la jauge? (ou de sa sonde).
La temp. de déclenchement du thermocontact étant inférieure d'1° comparée au 82-68°, on peut supposer que l'aiguille va se situer à peu près dans la même zone, entre le vertical et le premier trait. Là au 2è trait on est en principe en surchauffe.
Précision concernant la remarque de Gilles: La temp de déclenchement ventilo est de 81°, mais la sonde étant placée sur la durite inférieure, ça correspond à env 10% de + au niveau culasse.
Après avoir effectué les contrôles, il serait intéressant de voir la position de l'aiguille sur route ouverte sans interférence de la part du ventilo (fiche de masse du thermocontact retirée).
Au fait, le radia principal est récent?

Au sujet du circuit de chauffage, je vois pas bien la connexion au niveau de la vanne?
À mon avis la durite supérieure qui court au dessus des pipes n'est pas nécessaire et peut générer des poches d'air, étant située au-dessus du niveau culasse.
Si tu reprends le montage TR6pi similaire, la sortie au niveau du corps de pompe est condamnée (bouchon).
La vanne est vissée sur la culasse, son raccord de sortie alimente le radia chauffage et la sortie du radia se reprend sur
le tube de retour vers la pompe (sous les pipes).
;)
tommybolin

11/06/2025
23:13
re : GT6+ - Ventilateur électrique
J'ai zappé la partie alimentation.. :(
Ok donc c'est le circuit d'alim et de purge des pompes de reprise qui posait pb. (au sujet du grippage).
Si les pompes ne fonctionnent pas correctement effectivement ça peut être l'une des causes des trous à l'accélération.
Un excès comme un manque de richesse délivré par ces pompes peut produire les mêmes effets, d'où peut-être l'intérêt de faire un sondage AFR sur la plage de régime concernée (< 2500 tours).
Les trous peuvent, entre autres, être liés à un défaut de calibrage des gicleurs de ralenti ou à un niveau de cuve trop bas.
Au sujet du ralenti, prévoir entre 900 & 1000 tours avec ce type d'arbre à cames.
Par contre tu dois pouvoir les obtenir sans devoir régler les vis de richesse au delà de la fourchette préconisée.
Si cela n'est pas possible, les gicleurs de ralenti sont à recalibrer.
Concernant les bougies, en principe tu devrais avoir des BP7ES.
Tu indiques que le moteur fonctionne mieux passé 2500trs c'est sans doute dû à la prépa mais peut-être aussi au fait que le circuit principal prends le relais au niveau des carbus.
Pour l'avance tu devrais avoir 14-15° au ralenti.
Bonne recherche! ;)
Marco0307

12/06/2025
14:16
re : GT6+ - Ventilateur électrique


Bonjour,
Merci pour vos retours.
Je pense que ma réponse pour l'aiguille n'était pas claire. Je n'ai pas de graduation sur le mano de température. Je pense que l'aiguille devait être autour de la position dessinée en rouge. Pour le test sans ventilo électrique : jusqu'où je peux aller sur le mano sans risque svp?

Pour les contrôles des températures, c'est éléments déposés dans une casserole (ou autre) je suppose ? (à moins qu'avec un thermo laser pointé sur la durite suffise ?). Dans tous les cas, avant montage j'avais contrôlé les températures de déclenchement et arrêt du thermocontact dans une casserole + thermomètre de cuisine, donc de ce côté-là je suis plutôt confiant.

Je vous mets une photo du branchement de la vanne. Globalement, je n'ai rien inventé, j'ai copié des montages que j'ai trouvé sur les forums US notamment. J'avais bien envisagé un montage TR mais l'expérience de mon père avec sa TR4 dont la partie filetée de la vanne était "soudée" à la culasse et qui s'est cassée au démontage m'avait pas mal refroidie. Pour l'instant j'aimerais, dans la mesure du possible, ne pas changer le système (mais tout est envisageable bien sur). Quand tu parles de bulles d'air, ce serait dans la durite de chauffage ou dans la culasse ? Y a-t-il moyen de purger ça ? Je pense notamment à desserrer un peu le collier au niveau de la vanne une fois le calorstat ouvert peut-être.

Pour le radiateur, c'est celui d'origine dont j'avais fait refaire le faisceau (Radiateurs Angevins).

Pour la partie carbu :
1. il va falloir que je trouve (ou achète) une sonde AFR pour avancer proprement. J'ai augmenté légèrement le ralenti (ouverture papillon) mais je n'ai pas touché à sa richesse. Je pourrais, mais sans indicateur, j'ai préféré laisser en l'état.
2. pour les BP7ES, c'est pour rester sur des bougies plus froides que l'origine j'imagine?

Désolé pour toutes ces questions.

Bonne journée à tous !

Marco
tommybolin

12/06/2025
16:42
re : GT6+ - Ventilateur électrique
Hello Marco,
Merci pour tes photos, Ok je comprends mieux pour le chauffage ;)
Effectivement c'est pour éliminer l'air dans la durite et le radia chauffage mais la présence de poches importantes ici pourrait éventuellement conduire à un déplacement de l'air vers des zones + sensibles (pompe/boîtier thermostat/culasse).
Toute présence d'air ayant pour effet de bloquer localement la circulation dans le circuit.
Oui c'est une solution pour la purge, mais idéalement tu peux également incorporer un purgeur en point haut de la durite de
chauffage. À purger (vanne ouverte) lors du remplissage/rempotage moteur coupé.
Idéalement tu peux enfoncer une section de durite droite dans le col du radia afin d'effectuer le remplissage/rempotage et la purge de l'ensemble du circuit dans les meilleures conditions (au-dessus du point haut maxi théorique du circuit). Presser régulièrement la durite inférieure lors du remplissage!

Sur ta photo la position de l'aiguille correspond bien à la zone normale de déclenchement du ventilo et se révèle conforme à ce que j'avais sur mon montage en 82-68°
Comme tu indiques que le thermocontact a été contrôlé, si le ventilo se déclenche de façon intempestive à cette position d'aiguille sur une longue portion de route ouverte sans ralentissement, ça tendrait à orienter vers un pb de surchauffe.
Voir ce que donne le test d'ouverture calo, avec par ex un thermo laser pointé sur le col du radia en métal, pas sur la durite.

Pour le test routier ventilo désactivé, si l'aiguille atteint le point milieu entre la position sur la photo et le carré rouge tu rebranches le ventilo. Plus safe à mon avis de dériver vers l'habitacle une longueur de fil volant entre la fiche de masse sur le thermocontact et la cosse du fil de masse. Il suffit d'intercaler un interrupteur de commande au niveau de l'habitacle.

Bougies BP7ES pour s'accorder à la prépa/taux de compression et éviter la détonation dans les chambres de combustion.
Bonne mécanique! ;)
Marco0307

12/06/2025
20:57
re : GT6+ - Ventilateur électrique
@Tommy : OK merci.
Pour le remplissage je passe toujours par un entonnoir raccordé au radiateur pour être plus haut que tout le circuit.
Pour le déclenchement manuel, j'ai déjà un inter sur la planche de bord, donc facile ;-)
OK pour les BP7ES, je vais changer ça.

Bonne soirée !

Marco
CL56 *

13/06/2025
07:27
re : GT6+ - Ventilateur électrique

Bonjour Marco

voici mon équipement

Cordialement
tommybolin

13/06/2025
09:01
re : GT6+ - Ventilateur électrique
+1 avec Charly pour illustrer la méthode ;)
Au sujet des tés de purge, ça se trouve assez facilement, ex: https://www.mecaparts.com/product/raccord-purgeur-de-chauffage-o-18mm/
Marco0307

14/06/2025
13:47
re : GT6+ - Ventilateur électrique
Bonjour,
@CL56 : j'ai bien un montage du même genre. Et comme d'habitude, rien d'étonnant puisque c'est exactement cette photo qui tu avais postée dans un autre fil qui m'a inspirée. Le forum est une vraie mine d'informations.

@Tommy : Cool, merci. C'est commandé.

J'ai vidangé le LR. Je vais démonter calorstat et thermocontact pour (re)vérifier tout ça dans une casserole. Je vais en profiter pour changer la pompe qui fuit et installer le purgeur. La sonde lambda large bande est commandée également. Je pense en profiter également pour remonter l'hélice et voir s'il y a du mieux. Il sera toujours de l'enlever à nouveau après.

Merci à vous.

Cdlt,

Marco
CL56 *

14/06/2025
18:44
re : GT6+ - Ventilateur électrique
Bonsoir Marco et Tommy

la TR6 pi que vous voyez en arrière plan est doté d'un colorstat de 72 °C made US leader mondial ... c'est ma voiture

Amicalement à vous deux
Marco0307

22/06/2025
20:05
re : GT6+ - Ventilateur électrique



Hello,

J'ai avancé un peu aujourd'hui : je me suis donc remis en config d'origine (hélice, ventilo, retiré), j'ai changé la pompe qui fuyait et vérifié l'ouverture du calorstat dans une casserole (OK).

J'ai également vérifié le fonctionnement des pompes de reprise des carbus en regardant si à l'accélération (juste en actionnant le levier des carbus) il y avait un jet d'essence juste avant les papillons. 2 constats : sur le corps N° 5, cela ne fonctionnait pas et sur le N°6 le jet n'est pas dirigé vers le moteur (ou pipe d'admission) mais vers le bas (verticalement). En démontant le gicleur du N°6, le trou est en bas dans le prolongement de l'axe alors que sur les autres, c'est un trou sur la circonférence. Je ne sais pas si c'est important ou pas.
J'ai dû démonté le couvercle du carbu "5&6" pour décoincer la bille d'alimentation du circuit de purge du corps N°5. C'est OK maintenant.
Ensuite j'ai changé mes bougies pour des BP7ES et là, j'ai constaté que la N° 6 est particulièrement blanche. Toutes les autres ont une couleur différente suivant le côté d'observation. Je vous mets des photos pour avis.
J'avais retenu que blanc = trop pauvre. J'ai checké les différents gicleurs du corps N°6 sans rien constater. Est-ce qu'une couleur blanche comme ça pourrait provenir d'une absence d'allumage ? Est-ce que l'orientation différente du jet du gicleur de la pompe de reprise peut avoir un tel impact en sachant qu'en fonctionnement normal le circuit semble aussi être utilisé? Ca me paraît peu probable.

Il me reste à installer la purge sur le circuit de chauffage et je redémarre le moteur pour vérif de l'avance et richesse (en espérant récupérer la sonde lambda sous peu).

Cdlt,

Marco
Qui *

23/06/2025
09:29
re : GT6+ - Ventilateur électrique
Effect9ivement,les bougies c est l arc en ciel,va y avoir du boulot !
tommybolin

23/06/2025
10:04
re : GT6+ - Ventilateur électrique
Bonjour Marco,
La bougie est un poil claire, certaines sont ok, d'autres un peu riches.
La richesse excessive est peut être à mettre sur le compte des essais au ralenti/bas régime et/ou pourrait faire suite
aux soucis de fonctionnement aléatoire des billes/clapets.
Le roulage est encore insuffisant pour se faire une idée précise concernant la lecture des bougies.
Un manque d'allumage sur une bougie aura plutôt tendance à la couvrir de suie.
Voir si la bougie claire garde sa position avec le nouveau jeu de bougies.
Tu peux toujours vérifier l'absence de prise d'air au niveau des brides.
Concernant le gicleur de pompe, l'orifice est calibré avec précision, donc si ça crache verticalement, bien possible que la pièce soit défectueuse (loupé en production: perçage trop profond ?). À remplacer.
Quelle est la courbe d'avance programmée dans le système ?, celle de GT6MK2 ou VitesseMK2 ?
cdlt :)
Marco0307

24/06/2025
10:01
re : GT6+ - Ventilateur électrique
Bonjour,
OK, donc à tester plus en profondeur.
J'ai commandé le gicleur de la pompe.
Pour l'avance, je récupère ça ce WE. A l'origine j'étais sur une base que tu avais évoquée dans un autre fil mais je pense qu'elle a été ajustée.

Encore merci pour l'aide que vous m'apportez, c'est toujours très utile et on se sent moins seul face aux difficultés.

Bonne journée !

Marco
tommybolin

24/06/2025
13:14
re : GT6+ - Ventilateur électrique
Hello Marco,
Pas de souci, c'est le but du forum ;))
(petite précision concernant ton pb de direction/rappel insuffisant : voir le réglage de l'angle de chasse)
cdlt :)
Paul

28/06/2025
23:51
re : GT6+ - Ventilateur électrique
Bonsoir,

Je re-découvre après 1 an de pause (...) la gt6+.

Bravo Marco, une belle bête cette gt6 :)
Marco0307

29/06/2025
12:45
re : GT6+ - Ventilateur électrique



Hello,

@Tommy : désolé, je n'avais pas vu ton message. L'angle de chasse est le seule que je n'ai pas vérifié, mais il n'est pas simple à vérifier je crois. Si tu as une méthode je suis preneur.

Sinon premier redémarrage ce matin avec :
- purgeurs sur le circuit de chauffage > testé et ça marche bien. C'est pratique au remplissage du LR.
- sonde lambda installée.
- gicleur de pompe changé pour le 6.

Ce que j'ai testé pour l'instant (statique le temps de faire la purge du liquide) :
- Avance au ralenti (890 trs / min actuellement, lecture sur le logiciel de la Black Box, parce que le compteur est vraiment décalé). 12 / 13° ce qui correspond au paramétrage fait dans la BB (en image la courbe programmée).
- Pas de prise d'air évidente sur les 5&6, testé au pinceau avec de l'essence.
- AFR au ralenti et à chaud : environ 13.0. A voir en roulant. A l'accélération Ralenti > 2200 trs/min ça chute pas mal, vers les 9.5 (pas facile à lire, ça varie pas mal et rapidement). Donc probablement trop riche sur les gicleurs de la pompe. Il faut que je complète avec des tests routiers.
- Pour la chauffe, en statique, pour l'instant rien d'alarmant mais il faut que je roule un peu pour me faire une idée (même circuit que la dernière fois).

Je vois pour le reste cet arpè'm mais il fait chaud aujourd'hui, et on ne peut pas dire que la GT6 ne dégage pas de chaleur dans l'habitacle.

Bon dimanche à tous !

Marco
tommybolin

30/06/2025
10:06
re : GT6+ - Ventilateur électrique
Hello Marco,
En effet sympa ces petits purgeurs! je garde la ref au chaud ;)
Concernant la géométrie, un défaut de rappel pourrait être la conséquence d'un manque de chasse.
Pour l'augmenter il faut réduire le nb de cales du support Av de triangle (ou augmenter le calage du support Ar).
Préco angle en config charge statique (2 personnes à bord): +4° positif (+1/2°) avec une différence admissible maxi de 1° entre la roue droite et la roue gauche.

Concernant la courbe d'avance centrifuge totale, une autre suggestion:
13-14° à 1000 trs
16° à 1200
18° à 1400 (pas de changement)
21° à 1600 (pas de changement)
22° à 1800 (pas de changement)
23° à 2000 (pas de changement)
25° à 2200
26° à 2400
27° à 2600
28° à 3000
29° à 3100
30° à 3500
32° à 4000 (avance maxi)
32° au dessus de 4000 trs

Concernant le réglage AFR, il va être nécessaire de délimiter la plage de régime de progression entre ralenti et entrée en action du circuit principal.
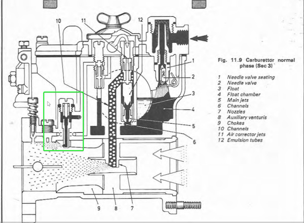
= regarder à quel régime le mélange commence à sortir du circuit principal au milieu des centreurs (n°7 sur ta coupe weber + haut) en accélérant doucement au ralenti.
Ensuite se caler à la moitié du régime déterminé + 300trs sans accélérer brusquement et après stabilisation sonder l'AFR.
cdlt :)

Geo42

30/06/2025
13:58
re : GT6+ - Ventilateur électrique
Hello les gars,

J'espère que vous allez tous bien :-)

Beau travail Marco, et excellente idée ces purgeurs! D'où viennent-ils ?
tommybolin

30/06/2025
20:37
re : GT6+ - Ventilateur électrique
Bonsoir Geo! ;)
Alors, finie cette GT6 2,5L ?
Geo42

30/06/2025
23:28
re : GT6+ - Ventilateur électrique
Bonsoir Tommy

Euh...non...

J ai réglé mon problème de fuite de liquide de freins.

Me reste mon problème de carrossage ard à résoudre. Je suis en congés fin de semaine. Je me remets dessus lundi 07 :-)

Parfois... je stress de reprendre...
Marco0307

01/07/2025
14:59
re : GT6+ - Ventilateur électrique
Hello,
@Geo : j'ai pris la réf donnée par Tommy > https://www.mecaparts.com/product/raccord-purgeur-de-chauffage-o-18mm/
Le diamètre est un peu grand mais ça passe. Attention à la finition : j'ai dû ébavurer l'intérieur. Rien de grave vu le prix.
Je comprends un peu ton stress : je passe mon temps à régler des (grosses?) "galères". D'abord parce que j'ai surement mal bossé sur certains points le premier coup et aussi à cause des modifs / config d'origine. Entre refaire les jeux arrière, l'embrayage, la pompe à huile, les carbus, ... ce n'est pas toujours facile, mais pour l'instant je ne lâche rien (par contre je suis lent).

@Tommy : je n'ai pas eu le temps de retester la GT6 l'aprè'm, j'ai eu un petit empêchement. pour le passage sur le circuit principal :
1. On voit vraiment bien quand l'essence sort par les centreurs ou il y a un autre moyen de vérif ? Je vais essayer mais ça ne me parait pas évident à l'œil (mais je peux me tromper).
2. Si je comprends bien, si je relève 2000 trs, j'accélère à 1300 trs doucement et je relève AFR c'est bien ça ? Cette zone correspond à quoi exactement ? (en gros pourquoi celle-ci plutôt qu'une autre). Si tu as de la doc sur le sujet je suis preneur.

Pour la chasse, c'est plus le mesure qui me pose problème : il y a une technique pour ça ?

Je tente de m'y remettre ce WE mais ce n'est pas gagné.

Merci !

Marco
tommybolin

01/07/2025
18:33
re : GT6+ - Ventilateur électrique
Hello Marco,
Pour la chasse, c'est l'angle formé entre la ligne d'axe verticale du porte-moyeu/porte-fusée et la verticale au sol.
(le sommet des porte-moyeux étant incliné vers l'AR).
Il doit y avoir moyen de dégrossir avec un fil à plomb, un réglet fixé qque part (sur le bout de filetage de fusée?) et un inclinomètre mais il vaut peut-être mieux passer sur un banc.. :)

Concernant les Weber, Oui pour la procédure c'est ça. Oui tu dois regarder au centre de l'entrée d'air des carbus.
Au ralenti/bas régime, le mélange est fourni au plus près des papillons via la vis de richesse puis les trous de progression mais pas par les centreurs.
L'opé permet de jauger l'AFR du circuit de progression seul sans interférence de la part des pompes de reprise. Ça permet de voir si la taille des gicleurs de ralenti est correcte (= AFR de 13 à 14), puisque ce sont ces derniers qui gèrent la progression.
Si ok, tu peux ensuite tester l'AFR sur route juste après la phase d'accélération :
AFR chute puis redevient normale = trop de volume fourni par la pompe = demande gicleur de purge de pompe (bleed) + gros
AFR grimpe puis redevient normale = inverse ci-dessus = demande gicleur de purge de pompe (bleed) + petit
AFR grimpe puis chute puis revient à la normale = débit insuffisant = demande gicleur de pompe + gros
AFR chute puis grimpe puis revient à la normale = excès de débit = demande gicleur de pompe + petit
cdlt ;)
Marco0307

02/07/2025
22:14
re : GT6+ - Ventilateur électrique
Salut,

@Tommy : OK super. Je regarde ça dès que possible. Après quelques recherches, je suis tombé (entre autres) sur ce site : https://240260280.com/Tech/Carbs/Weber/DCOE%20Theory%20Operation%20and%20Tuning.html
Je le trouve pas mal, si certains sont intéressés par quelques infos sur les DCOE avec quelques vidéos.

@+

Marco
Marco0307

28/07/2025
08:38
re : GT6+ - Ventilateur électrique
Salut,
Je vois qu'avec Geo nous sommes en plein tests.
Donc pareil de mon côté, j'ai pu refaire un tour hier (je dirais une bonne trentaine de kms).
Je n'ai pour l'instant pas touché à l'avance.
Résultats :
- la chauffe reste maitrisée. Globalement cela reste entre les 2 points de l'indicateur. C'est plutôt bien.
- sur route, j'ai noté l'AFR à régime stabilisé tous les 500 trs/min de 1200 à 3100, je tourne entre 12 et 14 avec une tendance à diminuer (14 à 1200 et plutôt 12 à 3100).
- Toujours ce côté étouffement si j'accélère trop brutalement. A chaud et après 2500 trs c'est mieux. L'AFR est élevé (et le reste puisque cela n'accélère pas vraiment) : de 17 à 22 suivant les cas. Les pompes de reprise envoient bien une bonne giclée d'essence dans le carbu (c'est nettement visible). Normalement le back bleed est à 0 donc je ne peux pas le diminuer. Peut-être des trous de progression obstrués?
- J'ai tenté de voir le passage sur le circuit principal : je ne vois rien. Je suis monté jusque 3500/3600 trs: est-ce suffisant ? Je n'ai pas osé plus.
- J'avais réhaussé l'angle de chasse des 2 côtés (après mesures j'étais à environ 1.6° à gauche et 1.9° à droite à vide). Rien de mieux, le volant ne revient pas en position médiane.
(- Toujours mon compte tours faussé, mais je verrai ça plus tard. A 4500 affiché, je suis à 3500 environ. Il y a un coef de 1.3 à peu près de façon linéaire).

Globalement ça reste positif. La carbu n'est pas parfaite mais gérable et pas dramatique : le moteur est creux en bas mais après 2500trs il devient plus "rageur", c'est sympa. Plutôt content pour la chauffe, mais comme j'ai changé plusieurs paramètres en même temps, difficile de connaitre la source du problème initial : pendant mes vacances je tenterai de ne remettre que le ventilo électrique.

Pour l'instant je vais (tenter de) passer le CT pour pouvoir faire ma demande de CG, parce que rouler sans plaque cela pourrait me causer des soucis.

Bonne journée à tous !

Marco
tommybolin

28/07/2025
18:00
re : GT6+ - Ventilateur électrique
Salut Marco,
-Ce qui interpelle c'est le constat d'une diminution des symptômes à chaud, si j'ai bien saisi?,
ce qui tendrait à indiquer que le moteur serait plutôt en manque d'essence..
-L'activation du circuit principal se fait vers 3000trs environ, curieux que tu ne vois pas d'essence arriver au centre des venturis..
-Avant de poursuivre d'autres réglages/tests, perso je vérifierais si le niveau de cuve est bien conforme aux spécifications prévues pour ce modèle sur (flotteur plastique, weber 151?). Un niveau de cuve trop bas pouvant créer tout un tas de symptômes;
-Pour favoriser les perfs viser 12,5-13,5 d'AFR.
-Les valeurs que tu indiques (17-22) sont pour après 2500trs à vitesse constante? si oui c'est beaucoup trop pauvre (danger!)
(voir pour remettre les gicleurs principaux + gros et/ou des gicleurs correcteurs d'air + petits).
-En réglant le ralenti à 800-900trs, la tranche des papillons devrait masquer complètement l'orifice du premier trou de progression.
(dévisse les bouchons sur les corps, juste derrière les vis de richesse pour vérifier). Combiner en jouant sur la vis de ralenti et éventuellement sur les vis de richesse (de manière égale sur les 6 corps) pour essayer d'obtenir ces conditions (régime/position tranche/AFR 13,5-14).

-Concernant le rappel volant, de toute façon c'est vrai que sur nos autos c'est plutôt limité.

Bonne continuation dans la mise au point ;)
Marco0307

28/07/2025
19:35
re : GT6+ - Ventilateur électrique
Tommy,
1. Oui à chaud c'est mieux (sans être bien).
2. Oui je ne vois rien ... mais bon, je me dis que ça vient surement de moi. Pourtant, sur la vidéo que j'ai vu c'était flagrant.
3. le 17-22 c'est uniquement quand je mets le pied au plancher d'un coup, plutôt à bas régime (avant 2500 trs) : l'AFR monte dans ces valeurs, la voiture n'accélère pas (voir ralentit). A vitesse constante, je suis entre 12 et 14, suivant les conditions. Pour monter en régime, je suis obligé d'accélérer progressivement. Je vais de toute façon reconfirmer tout ça en roulant plus et plus longtemps.
4. OK pour le niveau de cuve (faut que je regarde pour le réglage, ce sont des 151). De toute façon je vais ouvrir les DCOE pour également vérifier que les billes des back bleed ne restent pas coincées "ouvertes", ce qui pourrait être un problème à l'accélération si ces "clapets antiretours" ne se ferment pas.
5. Pour les trous de progressions, c'est un point qui est également sur ma check liste.

Merci du retour. Je vais continuer d'avancer doucement mais surement avec vote aide.

@+

Marco
tommybolin

29/07/2025
16:02
re : GT6+ - Ventilateur électrique

Hello Marco,
Ok. Oui apparemment ça ne compense pas l'appauvrissement créé par l'ouverture soudaine des papillons.
Concernant les pompes: le volume d'essence délivré est déjà au maxi puisque pas de backbleed, reste la possibilité d'intervenir sur le débit en augmentant le dia des gicleurs.
Si sous 2500trs à vitesse constante l'AFR reste globalement stable, les gicleurs de ralenti sont peut-être à peu près dans les clous.
Comme suggéré + haut, sans rien toucher d'autre essaie de voir le niveau des cuves, pas en suivant la procédure usine mais selon la méthode de K.Franck.
Celle-ci, largement préconisée chez les pros a pour avantage de ne pas nécessiter la dépose des couvercles de cuves, au moins pour le contrôle -juste le petit couvercle à vis papillon- et surtout elle indique le niveau réel dans la cuve (à effectuer moteur tournant au ralenti sur une aire bien de niveau).
La méthode implique de confectionner une simple jauge optique à l'aide d'une longueur de tige acrylique transparente
emmanchée avec peu de serrage dans une bague servant de butée. (la jauge doit être libre dans le logement des gicleurs)

Après dépose du couvercle, dévisser et sortir un ensemble gicleur complet (émulsion/correcteur/principal) puis installer
la jauge en place dans l'orifice, avec la bague de butée portant contre la paroi du logement gicleur.
Ensuite faire coulisser la jauge doucement jusqu'au point de contact avec l'essence présente dans la cuve.
(la face supérieure de la jauge s'assombrit lors du contact).
sortir la jauge et mesurer la distance extrémité jauge côté essence / face inférieure de butée de la bague.
K.Franck recommande une valeur de 25mm +/-1mm pour cette dimension.
cdlt ;)
tommybolin

29/07/2025
16:05
re : GT6+ - Ventilateur électrique

img
tommybolin

29/07/2025
16:06
re : GT6+ - Ventilateur électrique

img
Marco0307

29/07/2025
19:17
re : GT6+ - Ventilateur électrique
@Tommy : On trouve son nom et sa méthode un peu partout. J'ai téléchargé également son "manuel" de réglage des DCOE. Pour la valeur il y a pas mal de débats autour des 25. Certains préconisent plutôt 28/29 pour éviter toute intervention intempestive du circuit principal (secousses, virage appuyé notamment). En contre partie, si j'ai bien compris, la dépression nécessaire est plus importante, donc une prise de relai par le circuit principal plus tardive et donc un "trou" à l'accélération plus important. Dans tous les cas, c'est effectivement la base à vérifier avant d'aller plus loin.

@+

Marco
tommybolin

30/07/2025
16:32
re : GT6+ - Ventilateur électrique
Salut Marco,
Oui il faut tester plusieurs réglages de niveau et voir les effets secondaires.
Le fait est qu'un niveau de cuve + élevé aura un effet sur tous les circuits, augmentant le croisement entre la progression
et le principal (retardant le premier & avançant le second) et aussi renforçant l'efficacité respective de chacun.
Si tes niveaux sont limite bas, là se trouve peut-être la solution à ton pb..
cdlt :)
Marco0307

20/08/2025
19:45
re : GT6+ - Ventilateur électrique
Hello,
J'ai démonté les couvercles des carbus et nettoyé un peu tout.
J'ai également dégrippé les billes de backbleed + les pointeaux d'alim de cuve.
J'en ai profité pour régler les flotteurs pour avoir un niveau de cuve autour de 26/27 (d'origine, j'ai mesuré une hauteur de 30).
J'ai ensuite testé sur route : plus de gros trou à l'accélération avec richesse pauvre +++. C'est mieux, par contre, c'est plus riche tout le temps. Par contre au retour à la maison, la voiture cale et impossible de redémarrer immédiatement. J'ai laissé refroidir un peu et puis c'est reparti. Constat : j'ai maintenant un trou quand je commence à accélérer depuis le ralenti. L'AFR chute vers les 9.0 à ce moment là.
J'ai descendu progressivement la hauteur de cuve de 26 à 27, puis à 28 avec test sur route à chaque fois. Il y a du mieux, sans être parfait. C'est toujours trop riche je pense. Ca tourne autour d'un petit 12 avec une tendance certaine à diminuer dans les tours. Le départ depuis le ralenti est mieux mais ce n'est pas encore tout à fait ça.
Bon après ça ne m'empêche pas de la conduire, globalement, ça reste positif.

Je trouve la boite (trop) ferme à l'usage et cet après-midi ça a craqué dur au passage de la 2 à la 3 sous forte charge. Je trouve qu'il y aussi un bruit bizarre au niveau de l'embrayage et de la butée : ça fait comme un bruit de ressort quand je débraye ou lorsque je relâche l'accélérateur "brutalement". Pour la butée, j'ai l'impression qu'elle rentre en vibration (ou autre) à partir d'un certaine vitesse. Il suffit que je pose le pied sur l'embrayage (sans appuyer) pour que cela s'arrête. Pour l'instant je ne vais rien faire pour ces points je pense. Je vais rouler et voir comment cela évolue.

J'ai dû faire une bonne centaine de km depuis la dernière fois : dans l'habitacle, ça chauffe pas mal, surtout que je n'ai pas remonté le tunnel.

Sinon le CT est passé et je suis en train de convertir mon compte tours (erroné) en utilisant l'électronique d'un VDO acheté sur lbc. Il y a peu de boulot mais ça commence à prendre forme.

Demain je revalide mes niveaux de cuve pour voir si je le baisse encore.

Bonne soirée à tous.

Marco
tommybolin

23/08/2025
16:07
re : GT6+ - Ventilateur électrique
Hello Marco,
Bonne nouvelle si tu as en partie résolu le trou principal en réajustant le niveau des cuves.
Il te reste à trouver le meilleur équilibre possible niveau/richesse globale.
Concernant le trou au ralenti, compte-tenu du fait que tu as repris le niveau de cuve, à mon avis tu dois normalement
re-régler les vis de richesse et le ralenti en combinant de manière à obtenir:
-le régime le + élevé compatible avec un fonctionnement régulier du moteur (avec les vis de richesse).
-un régime de ralenti final autour de 900 tours.
-tenter de maintenir la tranche des papillons sous le premier trou de progression.
-et conserver une synchro correcte.
Si le progrès est limité, tu peux par ex. essayer de remettre les gicleurs de ralenti 50F9, qui sont moins riches +
réajustement ralenti idem.

Concernant la boîte, je ne sais pas si elle a été reconditionnée mais ce genre de craquement indique en principe une bague synchro pas au mieux de sa forme, et la dureté peut provenir de la commande/tringlerie, des ensembles synchros et de l'état des crabots de verrouillage des bagues synchro au niveau des pignons, et du jeu général présent au niveau des composants.
Le type d'huile utilisée peut influer aussi (viscosité ou même la marque) ainsi que le niveau bien sûr.
As tu essayé de décomposer davantage en passant les rapports?

Effectivement sans tunnel effet sauna garanti avec en prime les bruits mécaniques amplifiés et aussi vue plongeante sur le
coupe-saucisson qui prend ses tours entre les deux sièges ;D
Concernant la butée, ce ne serait pas simplement le/les ressort(s) du pédalier qui font du bruit?
À voir aussi le bruit général tunnel en place.
Si c'est bien la butée qui vibre, la pose d'un petit ressort de rappel au niveau de la fourchette pourrait peut-être
solutionner le pb.
Bonne mécanique ;)
Marco0307

23/08/2025
18:48
re : GT6+ - Ventilateur électrique
Hello Tommy,
J'ai depuis refait ralenti, richesse et synchro.
J'ai un régime plutôt autour des 970 / 1000 trs et je ne dépasse pas le premier tour de progression.
Ca m'a pris ne peu de temps, entre richesse, ralenti et synchro. Aussi parce que je n'ai pas l'habitude. Je ferai certainement un petite vidéo pour avis.

Pour la hauteur de cuve, j'arrive finalement à 29mm, et je pense laisser en l'état pour l'instant.

Au final, ça va, même si c'est toujours un peu riche (12 / 12.5). Je pense effectivement tenter un retour sur les 50F9 pour voir.

Pour la boîte, j'avais changé tous les pignons et synchros. J'avais ajusté les jeux suivant le manuel (j'avais fait un sujet à l'époque sur le forum).
Je vais continuer à rouler pour valider ou non s'il y a un problème. Encore une fois, c'est loin d'être catastrophique. Je vais refaire quelques tests sous charge pour voir.
Pour l'instant l'huile est celle que proposait Huiles de France, une minérale 80w90 EP GL4.

Pour l'embrayage, je n'ai pas de bruit au niveau de la pédale. Après comme tu le dis, sans tunnel, il n'y aucun filtre niveau bruit. Je vais laisser en l'état et voir si (comment) cela évolue. J'avais pensé effectivement à un ressort au niveau de la fourchette. Je vais peut-être creuser ça avant de remonter le tunnel.

L'arbre de transmi visible et accessible, cela avait un peu fait tiquer pendant le CT, mais le gars a été sympa :-)

Entre temps à force de bricoler / tester mon compte tours je crois que j'ai fini par griller mon relai de clignotants :-)

Merci encore pour ton retour. Ca avance doucement, ce n'est pas parfait mais c'est sympa de pouvoir rouler un peu avec. J'attends ma CG pour aller faire des trajets plus importants.

Marco
tontonguigui *

25/08/2025
08:37
re : GT6+ - Ventilateur électrique

salut !!
avant remontage de ton tunel , pense à faire une isolation thermique phonique sérieuse ...
pour ça ... le plus simple, et ce quel que soit l'état de ton tunel, c'est de coller dans le fond de ton tunel des bandes bitumes qui servent pour faire des réparation en toiture !! (emfiband, batuband, bande butyl à froid) .

deux effets intéressants :

insonorisation (meilleure si tu met plusieurs couches
réparation (si tu garde ton ancien tunel en carton)


Marco0307

25/08/2025
11:24
re : GT6+ - Ventilateur électrique
Salut Tontonguigui,

C'est déjà fait, mais plutôt thermique uniquement avec un isolant que j'ai vu sur le forum (aspect feuille d'aluminium en extérieur).

Merci en tout cas pour ton post.

Comment ça se passe avec ton Austin H. ?

Cdlt,

Marco
Retour à la liste des messages

* : indique un auteur identifié comme membre de l'Amicale Spitfire


Ajouter un message à cette discussion
Nom email (n'apparaitra jamais sur le site) 169
Sujet

Option : Maxi 10 images uniquement JPEG (300Ko chacune) ou 5 PDF (5Mo chacun)

Attention ! Respectez ces formats et poids, sinon vos fichiers ne seront pas chargés.

Message

Recevoir par mail les réponses
Recopiez ici le numéro là haut à droite (système anti-robot)
Recharger le fil Cliquer une seule fois !

Si vous n'êtes pas adhérent, enregistrer votre pseudo évitera les trolls indésirables !

(c) 2025 Amicale Spitfire