![]() |
Amicale Spitfire Bienvenue sur Cyberspit ! Ce forum est réservé aux discussions autour des Triumphs. Lisez-moi |
|
| Retour à la liste des messages | Dernier message | |
| Youss * 14/09/2022 09:19 |
Quel schema Elec |
|---|---|
| Bonjour à tous, Je vais bientôt (enfin, si le carrossier termine un jour la peinture), commencer l'installation du faisceau électrique. Et je suis en flippe totale. Le fait est que ce n'est pas moi qui l'ai démonté, mais de toute façon, c'est impossible de remonter proprement l'espèce de truc que j'ai entre les mains. Pour faire simple, un ancien proprio est allé chez BricoTruc, il a acheté des bobines de fil de toutes les couleurs, du scotch, des cosses, des dominos et s'est mis en tête de fabriquer un faisceau. Puis avec les années, les proprios suivants ont probablement rajouté chacun leur couche. Le résultat est juste horrible. Impossible de savoir ce qui sert à quoi, ou de trouver une éventuelle panne électrique. Et je vous passe les problèmes de sécurité que ça pose avec certains fils dénudés voir à moitié coupés. Donc allez, go pour un faisceau tout neuf commandé et reçu. C'est pour une Spit MkIV 1971 RHD 1300 avec un Overdrive (pas d'origine). Le problème, c'est que je ne sais pas quelle stratégie adopter pour le remontage, et surtout sur quel schéma me baser. Vu mes compétences proche du néant (....non je ne sais pas ce qu'est un relais :-)), j'ai peur de faire une connerie. |
|
| Youss * 14/09/2022 09:20 |
re : Quel schema Elec |
![]() |
|
| Youss * 14/09/2022 09:22 |
re : Quel schema Elec |
![]() |
|
| Youss * 14/09/2022 09:24 |
re : Quel schema Elec |
![]() |
|
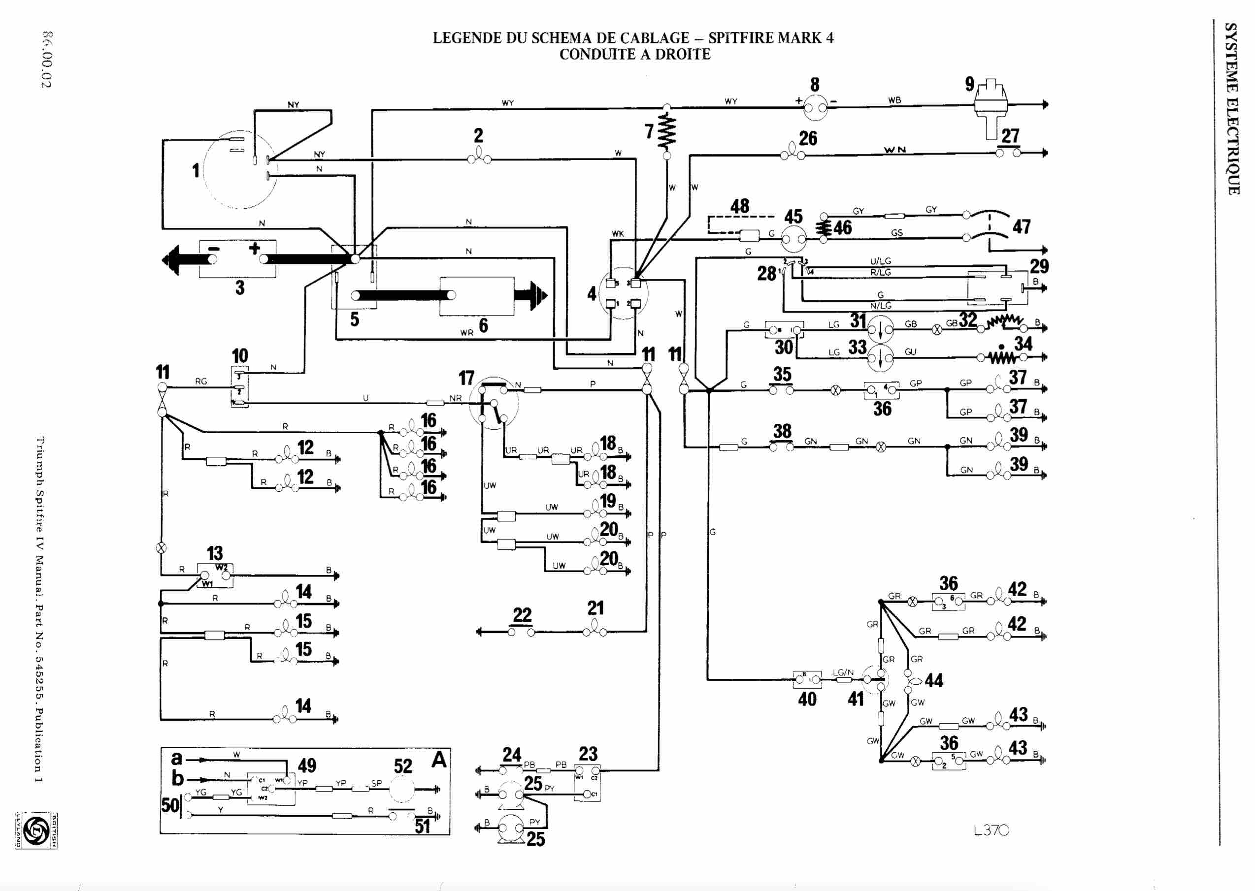
| jpc 8430 14/09/2022 12:26 |
re : Quel schema Elec |
![]() En premier , met les faisceau complétement a plat : je crois qu il est composé en 2 partie, AV & AR qui ce rejoigne au niveau de la boite a fusible . Il doit y avoir des repères pour chaque fil !! , sinon tester avec une lampe témoin. En mème temps , il serait bien d intercaler des relais pour les codes/phares! Pense aussi a changer les passe fil en caoutchouc . C est pas difficile : le fil bleu , avec le fil bleu , etc etc ;) ;) ;) Ci joint le schéma MK IV cdlt j p c |
|
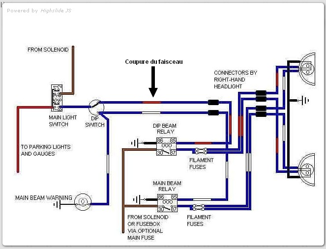
| jpc 8430 14/09/2022 12:27 |
re : Quel schema Elec |
![]() Schema de principe pour les code/ phare . cdlt j p c |
|
| tommybolin 14/09/2022 17:03 |
re : Quel schema Elec |
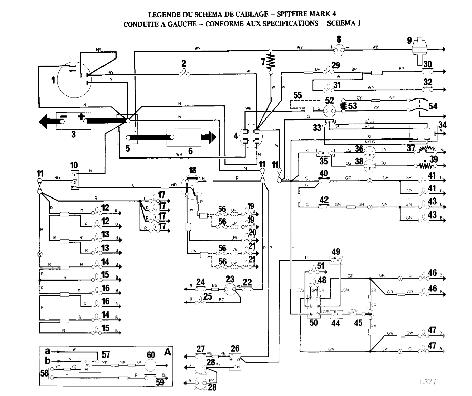
![]() Oui en premier déroule ton faisceau complètement à plat . Normalement il y a une prise grise carrée qui raccorde le faisceau AV au faisceau AR. Étale ton faisceau de façon à avoir la prise sur la gauche. Le faisceau AR (limité aux feux & jauge à essence) court en partie dans le bas de caisse gauche et ressort par les ouies découpées. La prise grise vient dans l'angle du montant av de porte. Fait passer la partie principale AV du faisceau par le haut à gauche sous le tableau de bord (au dessus du renfort soudé "U" en tôle servant de support à la colonne. À partir de là tu pourras mieux déterminer le routage de la partie instruments/ bloc chauffage/moteur EG et de la partie moteur passant à travers la cloison et par la boîte à fusible. Le schéma MK4 conduite à G est celui-ci @Jpc, attention ce faisceau couleur est celui des 1500 USA, donc pas mal de différences même si certains circuits principaux sont similaires. cdlt :) |
|
| tommybolin 14/09/2022 17:06 |
re : Quel schema Elec |
![]() |
|
| Youss * 14/09/2022 17:17 |
re : Quel schema Elec |
| Ah super, Merci les gars, Oui j'ai bien les parties Av et Arr avec une grosse fiche pour connecter les deux. la dessus je ne devrais pas me tromper J'ai bien épluché tous les codes couleurs, donc oui ça va le faire. Merci pour le schéma, ok donc les schémas couleurs ne sont pas adaptés pour mon modèle, je vais donc partir sur celui que tu me donnes Tommybolin(mais en conduite à droite pour moi). Par contre, sur le faisceau qui était sur la voiture, il y a 4 fusibles, or sur le schéma et également sur le faisceau neuf, il n' y en a que trois. Vous faites quoi dans ce cas? Vu les tartines de scotch et les pontages dans tous les sens, impossible de savoir ce que protège ce 4ème fusible. |
|
| tommybolin 14/09/2022 19:14 |
re : Quel schema Elec |
| (Le fichier "spi_16_16_01_3.jpg" est trop volumineux ou le nombre d'élement maximum est dépassé et n'a pas été enregistré) Ah ok c'est une RHD. C'est quasi similaire. Pour le fusible il y en a un de secours. Pour la disposition globale du faisceau voir ce croquis cdlt :) |
|
| tommybolin 14/09/2022 19:19 |
re : Quel schema Elec |
![]() |
|
| Youss * 18/09/2022 20:04 |
re : Quel schema Elec |
| Salut les gars, J'ai tout mis à plat, identifié touts les câbles et tout est impeccable. Sauf un ou deux points. Il me manque le câble blanc et rose (WK) entre le contact d'allumage et le moteur d'appareil de chauffage. Qu'est ce que je peux faire selon vous? Autre question de débutant, c'est quoi le régulateur de tension, et à quoi ça sert? impossible de mettre la main dessus. encore merci pour votre aide |
|
| tommybolin 18/09/2022 21:01 |
re : Quel schema Elec |
| Bonsoir Youss, Tu as bien 4 fiches qui viennent se raccorder à ton neiman? Le régulateur est incorporé à l'alternateur sur MK4 & 1500 cdlt :) |
|
| Youss * 18/09/2022 21:49 |
re : Quel schema Elec |
| sur le neiman, j'ai une fiche blanche et rouge sur la borne 1 une fiche marron sur la borne 2 et deux fiches blanches sur la borne 3 mais rien sur la borne 4, alors que d'après le schéma, il devrait y avoir dessus une fiche blanche et rose que je ne trouve pas. |
|
| Youss * 19/09/2022 12:56 |
re : Quel schema Elec |
| ça y est je pense avoir compris l'histoire du câble présent sur le schéma de la revue technique, mais pas sur mon faisceau tout neuf. En faite c'est un simple (+) qui permet d'allumer le chauffage avant contacte, moteur éteint. Un peut comme la radio, Je vais donc le rajouter moi même, mais du coup il n'aura pas le bon code couleur. Et celui qui restaurera cette voiture dans 30ans, pourra me haire, en se demandant, mais à quoi sert ce fil référence nul part :-)) |
|
| Retour à la liste des messages | |
* : indique un auteur identifié comme membre de l'Amicale Spitfire
(c) 2025 Amicale Spitfire








