Skip navigation

Cyberspit Amicale Spitfire
Bienvenue sur Cyberspit !

  Ce forum est réservé aux discussions autour des Triumphs.
Lisez-moi
Recherche :


Uniquement dans ce fil

Retour à la liste des messages | Dernier message
Julien C *

28/12/2023
18:02
Alimentation des phares






Bonjour à tous,

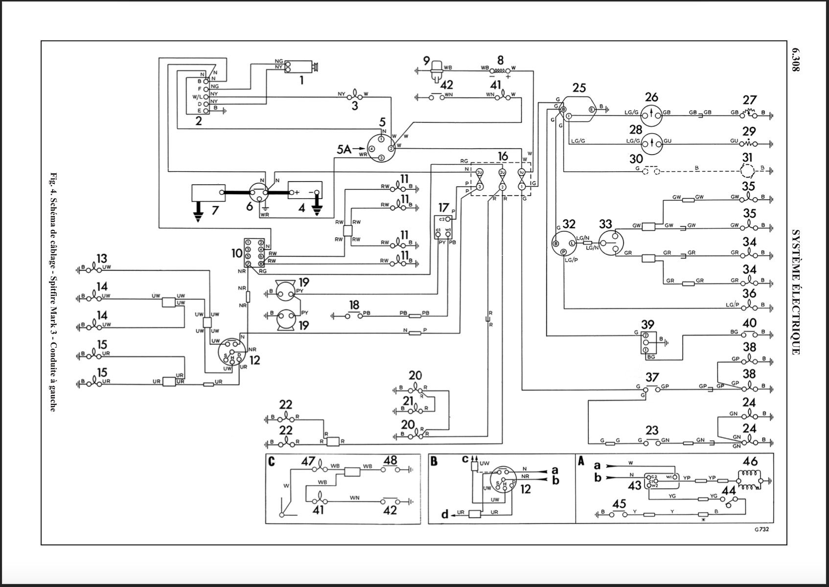
Ça y est, tout mon faisceau est fonctionnel sur la mk3 (vu mon niveau en élec, ce n'était pas gagné !), sauf... Les phares !

J'ai rebranché selon les photos prises avant démontage (photo 1).
Cette voiture ayant été abandonnée en cours de chantier, il y a environ 20-25 ans, je n'exclus pas que c'était mal branché. Mais je ne trouve des docs et photos qu'avec des interrupteurs à 3 broches, pas avec celui dont je dispose.


Alors, en branchant comme avant, j'obtiens :
- premier cran: lumière aux veilleuses (fil rouge) + codes (fil rouge/bleu) + tableau de bord (rien aux plein phares)
- 2e cran: lumières aux veilleuses + codes mais PAS de tableau de bord. Rien aux plein phares (fil blanc/bleu), que le comodo soit horizontal ou en bas. Par contre en position plein phare, j'ai les codes qui sont alimentés.

DiagnoSpit indique que le tableau de bord doit être alimenté lorsque l'interrupteur est bien au 2e cran. Le comodo horizontal donne les plein phares, et en bas, les codes.



Je modifie le branchement comme suit: voir photo 2. (je décale plus bas la fiche alimentant le tableau de bord, rouge/blanc)
Voici ce que j'obtiens:
- 1er cran: veilleuses + codes, pas de tableau de bord, pas de plein phares
- 2e cran: veilleuses + code + tableau de bord, pas de plein phares. Peu importe la position du comodo. Par contre, quand je mets le comodo horizontal, les codes ne sont plus alimentés. Mais toujours pas les plein phares.


J'en viens à vous pour essayer de résoudre le souci !
Les résultats sont les mêmes lorsque je teste directement sur le comodo démonté, jamais d'alim à la broche du fil blanc/bleu des plein phares. Le comodo a l'air en parfait état, zéro corrosion dedans. Mon multimètre m'indique une bonne continuité entre l'arrivée de courant par le fil marron, et la broche bleu/blanc... C'est incompréhensible. Je précise que le courant arrive bien par le fil marron même quand je mets en position plein phares.


Sauriez-vous m'indiquer si mes branchements à l'interrupteur sont corrects SVP ?
Est-ce possible que ce problème soit lié au fait que je n'ai pas remonté les phares complètement ?

D'avance merci, très bonne soirée à tous !

Julien
Julien C *

28/12/2023
18:08
re : Alimentation des phares
(Le fichier "75diagram.jpg" est trop volumineux ou le nombre d'élement maximum est dépassé et n'a pas été enregistré)

Je repost ici le schéma que j'ai trouvé dans un autre topic. Je ne sais pas si c'est rigoureusement le même, mais ça peut toujours aider.
fafa *

28/12/2023
18:38
re : Alimentation des phares
(Le fichier "_Schema_Elec_Mk3_67.pdf" est trop volumineux ou le nombre d'élement maximum est dépassé et n'a pas été enregistré)

Hello

Moi j'ai çà....
fafa *

28/12/2023
20:48
re : Alimentation des phares
(Le fichier "_Schema_Elec_Mk3_67.pdf" est trop volumineux ou le nombre d'élement maximum est dépassé et n'a pas été enregistré)

on essaye...
dyngo

28/12/2023
22:36
re : Alimentation des phares

Brun c'est le courant entre batterie et interrupteur feux (SANS fusible)
Brun/rouge le fil entre interrupteur et commodo volant
Rouge/blanc illumination tableau de bord, que en deuxième position

Ca veut dire brun/rouge est allimenté dans les deux positions
Commodo avec trois positions: veilleuses, codes, plein phares
Jpma35 *

29/12/2023
12:10
re : Alimentation des phares
(Le fichier "Cablage_TdB_MK3.pdf" est trop volumineux ou le nombre d'élement maximum est dépassé et n'a pas été enregistré)

Bonjour,
J'ai retrouvé ce document pdf sur le câblage du TdB d'une MK3, j'avais réalisé ce schéma à partir d'une photo de Michel63.
A la fin il y a le schéma complet.
Jpma35 *

29/12/2023
12:13
re : Alimentation des phares
Bon il y a un problème avec les pdf, mon fichier ne fait que 384 Ko.
jean (02) *

29/12/2023
12:54
re : Alimentation des phares
justement, je crois que c'est 300ko max
Jpma35 *

29/12/2023
14:33
re : Alimentation des phares
Normalement c'est 300Ko les photos jpeg et 5Mo les pdf.
Julien C *

31/12/2023
00:21
re : Alimentation des phares





Bonsoir à tous,

Merci pour votre aide, en effet pas évident de transmettre des fichiers sur le forum. J'ai fini par trouver le bon schéma pour la mk3, je le joins ici en version légère.

J'apprends déjà que le fil marron de la colonne doit se raccorder au fil violet du faisceau. Je ne l'avais pas fait car je n'avais pas osé du fait du changement de couleur. Il permet d'activer les appels de phares. Dans mon cas, pas de changement de comportement.

Je vérifie que le fil bleu/blanc n'est pas en court circuit. J'ai inspecté minutieusement le faisceau avant de le remonter, et j'ai assaini certaines zones pincées ou dont les isolants étaient douteux, mais sait-on jamais...
Le multimètre bipe, je me dis mince, il est à la masse quelque part... J'apprends via le schéma que le voyant témoin de plein phare est juste une dérivation su faisceau bleu/blanc, donc normal que mon multimètre sonne, mon test est faux. Ampoule retirée, il ne sonne plus, donc pas de faisceau en court circuit...
Fusibles vérifiés également.

Il reste ne reste donc que le comodo qui puisse être en cause !
Malgré son état visuellement bon quand je l'inspecte sur la colonne, je décide de le sortir (pas si évident sans abîmer le faisceau).

La continuité entre l'arrivée de courant est aléatoire, voir ne se fait presque jamais. C'était pas évident à voir, mais le problème était sur la petite borne raccordée à l'arrivée de courant (marron/rouge). Le plastique a légèrement fondu autour, ce qui a créé un petit bourrelet de plastique autour de la borne, et donc le palonnier en cuivre lors de son passage dessus se retrouvait soulevé par le plastique et ne plaquait plus bien sur la borne en cuivre !
Le phénomène n'avait pas lieu en position veilleuse et code, car le "bord" du palonnier, plus anguleux, parvenait à toucher la borne en cuivre malgré le rebord en plastique fondu.

Réparation: avec une lame fine, il a fallu couper le rebord de plastique fondu. Et eurêka, la continuité est parfaitement rétablie.

Pourquoi cela aurait-il chauffé ? je me souviens à présent que parmi les parties que j'ai réparées sur le faisceau, il y avait une portion bien pincée dont les isolants étaient HS. Dans mes photos je vois que c'était le faisceau de phares... Donc un ancien court circuit a provoqué cela, sans casser le fusible pour autant !

Merci pour vos réponses, et bon réveillon à tous.

Julien

dyngo

31/12/2023
11:22
re : Alimentation des phares
Comme j'ai écrit dessus: circuit feux SANS fusibles, prudence !
En plus, tous le courant des feux passe par les interrupteurs.
Avec le temps ça peut poser problèmes.
Solution: placer des relais pour codes et phares.
Pour une voiture qu'on roule rarement dans la nuit, pas trop important (je crois), je le fait que dans mes Range Rovers (même problème).
Et bonne année !
Retour à la liste des messages

* : indique un auteur identifié comme membre de l'Amicale Spitfire


Ajouter un message à cette discussion
Nom email (n'apparaitra jamais sur le site) 168
Sujet

Option : Maxi 10 images uniquement JPEG (300Ko chacune) ou 5 PDF (5Mo chacun)

Attention ! Respectez ces formats et poids, sinon vos fichiers ne seront pas chargés.

Message

Recevoir par mail les réponses
Recopiez ici le numéro là haut à droite (système anti-robot)
Recharger le fil Cliquer une seule fois !

Si vous n'êtes pas adhérent, enregistrer votre pseudo évitera les trolls indésirables !

(c) 2025 Amicale Spitfire