![]() |
Amicale Spitfire Bienvenue sur Cyberspit ! Ce forum est réservé aux discussions autour des Triumphs. Lisez-moi |
|
| Retour à la liste des messages | Dernier message | |
| Mayer 10/04/2022 19:00 |
Problème elle penche côté gauche arrière |
|---|---|
| Bonjour à tous ma Spitfire 1500 pencher du côté gauche. J'ai donc changer les amortisseurs et la lame de ressort. Mais elle continue de pencher du côté gauche est-ce que vous avez déjà rencontré ce problème ? Merci à tous Nicolas |
|
| jean (02) * 10/04/2022 21:43 |
re : Problème elle penche côté gauche arrière |
| Bonjour, le problème vient peut-être de la suspension avant. |
|
| Jacques 06 * 11/04/2022 08:45 |
re : Problème elle penche côté gauche arrière |
| Bonjour, Point déjà évoqué. il peux s'agir des silent bloc du pont et en particulier les deux cylindrique qui sont dans châssis à l'arriéré. En effet il "encaisse" le couple de démarrage toujours dans le même sens et ils se tassent (celui de gauche vers l ebas celui de droite vers le haut ) et comme la lame est fixée dessus ... Jacques |
|
| tontonguigui * 11/04/2022 10:08 |
re : Problème elle penche côté gauche arrière |
| ..; alors ... problème compliqué si ta lame de ressort à étée changée ... j'ai eu exactement la même chose sans trouver pourquoi ... le causes peuvent etre les suivantes : barre stab tordue .. roulement de roue arrière qui provoque un affaissement de l'ensemble amortisseurs avant pas au même niveaux arbres de roues de longueur différentes à droite et a gauche (dif environ 1.5 cm) défaut dans le support d'arbre (appelé verical link) défaut de planéité du pont arrière (axe du pont tordu ou chassis) défaut du nouveau ressort qui ne s'insère pas bien sur le pont (trop large , trop épais) je n'ai jamais trouvé pourquoi ma voiture avait ce défaut solutions : - démonter le ressort et vérifier que une fois le centre du ressort est à l'horizontale, les deux oreilles le sont aussi si besoin corriger en inversant certaines lames un défaut au centre de 1.2 mm provoque un un défaut de 2 cm de hauteur au bout des oreilles ... - démonter la barre stab .. vérifier qu'elle est bien plane et la changer ou redresser si besoin - si tes roues ont le même carrossage des deux coté ... alors ton problème n'est pas sur le ressort , mais sur le calage de la caisse sur le châssis - il existe des rotules réglables à souder sur les vertical links qui te permettent de régler la hauteur .. mais elle modifient le carrossage aussi . et l'opération est assez lourde à faire -solution bricolage : mettre une cale de 1 mm sous le ressort du coté opposé à l'affaissement (perso j'ai utilisé une cale de carrossage avant) . mais ce n'est qu'une solution bricolo ... j'ai fait ca sur la mienne en pensant un jour passer à la modification des vertical link ... c'est resté comme ça ... |
|
| Pas_Volay 11/04/2022 17:35 |
re : Problème elle penche côté gauche arrière |
| C’est marrant, les forums, ou ce qui en tenait lieu comme les BBS étaient remplis de ce problème il y a 25 ans… c’était l’un des sujets les plus fréquents, jamais vraiment résolu, et certains aux US étaient allés jusqu’à monter des suspensions pneumatiques pour le régler… J’avais moi-même le problème sur ma 1500 et avais tout essayé, dont le changement de ressort, pour le régler, en vain. Et puis ça c’est réglé tout seul: au fil des années la voiture est devenue horizontale. Chez moi et d’autres aussi, sans doute puisque le sujet avait peu à peu disparu. Mais peut-être que ça repart… ;-) |
|
| Jacques 06 * 14/04/2022 16:38 |
re : Problème elle penche côté gauche arrière |
Hello, J'insiste, vérifiez, les deux silent bloc arriéré du pont :-) Vous serez surement surpris ! mais oui cela impose la dépose du pont :-) et trouvez de bon silent bloc avec les bonnes dimensions :-) Jacques |
|
| tontonguigui * 15/04/2022 12:14 |
re : Problème elle penche côté gauche arrière |
| jacques, j'ai essayé aussi, j'ai 4 polybush neuf (deux sur axe arriere et 2 sur les oreilles du pont !!! donc cause éliminée voici mon avis apres 5 démontage de tous l'ensemble .... 1 les silent bloc n'influent pas ou peu (j'ai essayé de serrer d'un coté pour voir et caler 2 un autre amicaliste à changé le vertical link (qui avait l'air ok) avec succes !! 3 un autre amicaliste à démonté 4 fois sa lame de ressort pour panacher le sens des ressorts (avec succes) 4 j'ai mis une cale a gauche entre pont le ressort pour rétablir mon carrossage coté conducteur ... 5 certains ont simplement changé les cales plastiques dans le vertical link (2 demie en nylon et 2 joint toriques et 4 coupelles métal) je crois qu'il peut y avoir plusieurs causes ... pas facile à identifier il faut procéder par élimination . |
|
| jean (02) * 15/04/2022 15:39 |
re : Problème elle penche côté gauche arrière |
| c'est curieux, vous parlez toujours de l'arrière. De combien de cm penche-t-elle ? Si la voiture penche à gauche, il est impossible de savoir si c'est l'avant ou l'arrière qui est en cause, car si elle penche à l'arrière gauche elle penche aussi à l'avant gauche. Sinon le châssis est plié. Pour écarter le problème de l'avant, il faut prendre un point milieu à l'arrière (je ne pense pas que le différentiel soit une bonne référence), et lever la voiture jusqu'au décollement des roues arrière. Et là on peut comparer la hauteur de caisse au niveau des roues avant. Sur la mienne, la différence venait de l'avant. J'ai mis une entretoise au dessus du ressort pour gagner 1 cm. Mais bon, il est vrai que la suspension avant est plus élaborée que la suspension arrière. Cette dernière doit être plus souvent en cause. |
|
| tontonguigui * 15/04/2022 16:38 |
re : Problème elle penche côté gauche arrière |
| @jean je suis d'accord avec toi ... c'est pour ca que l'une de mes question etait : "est ce que ton carrossage est le même des deux coté ?" si la réponse est non : alors le pb vient obligatoirement de l'arrière il me semble !! dans mon cas outre 1.2 cm de diff de hauteur les carrossages étaient différent à l'arrière !! positif arrière gauche et négatif arrière droit tout train arrière refait !!! |
|
| jean (02) * 16/04/2022 07:34 |
re : Problème elle penche côté gauche arrière |
| @tontonguigui. Je ne vois pas comment le carrossage peut te donner une indication sur l'origine du problème. Si par exemple c'est l'avant gauche en cause (ressort affaissé) , la voiture va pencher à gauche, aussi bien à l'avant qu'à l'arrière et dans ce cas on trouvera du carrossage négatif à l'arrière gauche et du positif à l'arrière droit. Ceci en supposant un carrossage idéalement à zéro. Si j'ai bien compris ta dernière phrase, ta voiture penchait à droite ? La mienne penchait à gauche, peut-être le poids répété d'un conducteur précédent obèse....... ![]() |
|
| Jeff 16/04/2022 16:38 |
re : Problème elle penche côté gauche arrière |
| est ce que le phénomène est accentué après un bon repas.... parce que le soucis ne vient peut être pas de la voiture!!!! ok, je sors!! Cdt Jeff |
|
| tontonguigui * 18/04/2022 11:17 |
re : Problème elle penche côté gauche arrière |
| @jean il suffit de prendre des mesures de hauteurs sur l'avant sur surface plane (j'ai la chance d'avoir un garage avec un glaçis et on est pas au milimetre) ... contrôler les écarts de ressorts avec des piges ... j'ai des ressorts réglables en hauteur ... donc j'ai fait aussi des essais pour relever la caisse d'un coté ou de l'autre par l'avant sans effet notable sur le carrossage d'une roue ou l'autre à l'arrière (à peine 1 ° en relevant l'avant de 3 cm d'un coté apres cet essai , j'avais une voiture tordue devant et toujours pas droite derrière par contre j'ai désacouplé les vertical link des deux cotés (voiture sur chandelles ) et j'ai constaté que mon ressort était plus haut d'un coté que de l'autre à l'arrière de 1.5 cm , j'ai vérifié que mon pont était bien horizontal ... j'en ai déduit que mon ressort était bien de traviole , et la j'ai mis une cale, pour rétablir la hauteur , à noter que mon ressort était neuf ... avec certif british motor- héritage ... en conclusion je n'ai jamais identifié la raison pour laquelle mon ressort se trouve non parallèle au sol à vide, je n'ai fait que corriger les symptomes pour moi tout était neuf sur ma voiture ... ressorts, ammortos , barre antirouli, silent bloc ... et je dis bien TOUT !!! elle avait ce défaut avant que je change tout (c'est même ce qui m'a poussé à la mise a neuf) , elle l'avait encore après !!! d'où mes recherches techniques sur toutes les causes possibles et mes conclusions qu'il n'y a pas de conclusion et beaucoup de causes !!! |
|
| JACQUES 74 12/04/2023 12:01 |
re : Problème elle penche côté gauche arrière |
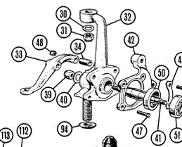
| Bonjour à tous Me voilà également confronté à ça, 2 centimètres en moins du coté gauche à l’arrière 57cm contre 59cm à droite axe roue . S'il y a des bonnes âmes charitable pour mettre des photos aux points à contrôler ça serait génial, surtout au niveau des silentblocs. Pour l'avant j'ai 58 cm env à gauche et 59cm pour la droite. c'est quoi le "vertical link" ou ce trouve t'il ? (photo) donc effectivement ça penche sur la gauche |
|
| Michel63 * 12/04/2023 14:26 |
re : Problème elle penche côté gauche arrière |
![]() |
|
| CL56 * 13/04/2023 07:36 |
re : Problème elle penche côté gauche arrière |
sorry Sir : have a look on the picture , please le vertical link est la pièce 32 située à l'avant .... Amicalement |
|
| CL56 * 13/04/2023 07:41 |
re : Problème elle penche côté gauche arrière |
| @ Michel63 Yes, but !! nous avons également un vertical link à l'arrière , n'est-ce pas ? Alors duquel parle-t-on , dans les propos des contributeurs : à l'avant? à l'arrière? Enfin je dis ça ..... Amicalement |
|
| tontonguigui * 13/04/2023 09:01 |
re : Problème elle penche côté gauche arrière |
| jacques parle de l'arrière !!! la photo envoyée par michel , te montre le vertical link arriere gauche !! pour toi jacque, si tu n'as pas changé ton ressort , il suffit peut etre de de changer les cales en nylon ou en caoutchouc qui se trouvent entre les lames de ressort !!! en effet ces pieces s'usent ... et surtout coté conducteur .. |
|
| JACQUES 74 13/04/2023 09:06 |
re : Problème elle penche côté gauche arrière |
| En ce qui me concerne c'est l’arrière qui me pose un problème, comme beaucoup elle penche à gauche et je ne vois aucuns réglage possible @Tontonguigui - "----par contre j'ai désacouplé les vertical link des deux cotés (voiture sur chandelles ) et j'ai constaté que mon ressort était plus haut d'un coté que de l'autre à l'arrière de 1.5 cm , j'ai vérifié que mon pont était bien horizontal ... j'en ai déduit que mon ressort était bien de traviole , et la j'ai mis une cale, pour rétablir la hauteur , à noter que mon ressort était neuf ... avec certif british motor- héritage ... en conclusion je n'ai jamais identifié la raison pour laquelle mon ressort se trouve non parallèle au sol à vide, je n'ai fait que corriger les symptomes ---" il parle du ressort mais je pense que c'est la lame de ressort dont il parle ?! s'il y a la possibilité de montrer la modification avec la cale ça sera vraiment super, merci |
|
| roger 13/04/2023 21:29 |
re : Problème elle penche côté gauche arrière |
| bonsoir moi aussi j'ai une différence de 2 cm a l'arrière , 31 du côté droit , et 33 du côté gauche , j'ai pensé de tourné ma lame de ressort de sens pour voir si un petit miracle me ferait retrouver une assiette a peu près normal , mais bon redémonter ma lame de ressort j'hésite ?? |
|
| tommybolin 14/04/2023 16:43 |
re : Problème elle penche côté gauche arrière |
| Bonjour, @Jacques, le cas peut se présenter aussi suite au remplacement d'un arbre de roue : l'arbre existe en 2 dimensions (une différence de 25mm) en fonction du type et/ou millésime de l'auto.. Et bien sûr les 2 sont "physiquement interchangeables".. donc comparer la longueur de chaque arbre du cache -poussière en tôle jusqu'au centre de cuvette de croisillon. @Roger déjà contrôler les autres points avant de déposer ton ressort. Normalement le ressort d'origine a un sens marqué par une plaquette en tôle (Front>avant) sur l'une des brides U. Si le pb est toujours présent après contrôle des autres causes possibles, voir si le tampon silent-bloc carré est en état (souvent à remplacer car déformé inégalement par l'usure) or il sert de coquille de maintien central aux lames supérieures. Voir aussi l'état du tube entretoise servant de pivot, souvent l'usure a créé un plat dessus.. Voir si l'extrémité de la vis-pion de centrage et/ou son écrou ne dépassent pas au dessus de la plaque de fixation car dans ce cas le centrage du pivot peut être altéré. Le ressort à lames est prévu pour être graissé donc un poil de graisse entre les lames réduit l'usure/les bruits parasites et aide au placement des éléments en fonctionnement. :) |
|
| roger 14/04/2023 21:27 |
re : Problème elle penche côté gauche arrière |
| bonsoir tommybolin je vais demain changé ma barre stabilisatrice que Christian garoux m'a vendu après je vais voir les autres opérations , je te le dirais dans le fil lame mk3 swing Spring, merci tommybolin |
|
| CL56 * 15/04/2023 08:06 |
re : Problème elle penche côté gauche arrière |
| Bonjour, il y a quelques temps, j'avais travaillé et ouvert un fil concernant ce type de défaut sur une Spit 1500 . Vous pouvez vous inspirer et balayer les différents points critiques . Vous tapez mon pseudo dans la fenêtre "recherche" et vous aurez le déroulement des opé réalisées. Amicalement |
|
| CL56 * 15/04/2023 08:06 |
re : Problème elle penche côté gauche arrière |
| Bonjour, il y a quelques temps, j'avais travaillé et ouvert un fil concernant ce type de défaut sur une Spit 1500 . Vous pouvez vous inspirer et balayer les différents points critiques . Vous tapez mon pseudo dans la fenêtre "recherche" et vous aurez le déroulement des opé réalisées. Amicalement |
|
| CL56 * 15/04/2023 08:06 |
re : Problème elle penche côté gauche arrière |
| Bonjour, il y a quelques temps, j'avais travaillé et ouvert un fil concernant ce type de défaut sur une Spit 1500 . Vous pouvez vous inspirer et balayer les différents points critiques . Vous tapez mon pseudo dans la fenêtre "recherche" et vous aurez le déroulement des opé réalisées. Amicalement |
|
| CL56 * 15/04/2023 08:06 |
re : Problème elle penche côté gauche arrière |
| Bonjour, il y a quelques temps, j'avais travaillé et ouvert un fil concernant ce type de défaut sur une Spit 1500 . Vous pouvez vous inspirer et balayer les différents points critiques . Vous tapez mon pseudo dans la fenêtre "recherche" et vous aurez le déroulement des opé réalisées. Amicalement |
|
| Retour à la liste des messages | |
* : indique un auteur identifié comme membre de l'Amicale Spitfire
(c) 2025 Amicale Spitfire


